NTN UELFU-7/8軸承技術規格
| 類型 | 四螺栓方形法蘭式軸承座 |
| 軸承類型 | 滾珠軸承 |
| 鎖緊裝置 | 偏心鎖緊套 |
| 密封型式 | 接觸式 |
| 密封圈材質 | 丁腈橡膠 |
| 軸承型號 | A-UEL205-014D1 |
| 軸承座型號 | FU205D1V50 |
| 殼體材質 | 鑄鐵 |
| 殼體鑄造型式 | 一體成型 |
| 端蓋類型 | 開式 |
| 表面涂層 | 黑色氧化物 |
| 性能 | 輕型 |
| 基本額定動載荷 | 3150 lbf 14000 N 14.00 kN |
| 基本額定靜載荷 | 1760 lbf 7850 N 7.85 kN |
| 最大擰緊力矩 | 69磅·英寸 |
| 極限轉速 | 5900轉/分鐘 |
| 應用溫度范圍 | -40 to 250 oF -40 to 120 oC |
| 潤滑方式 | 可再潤滑 |
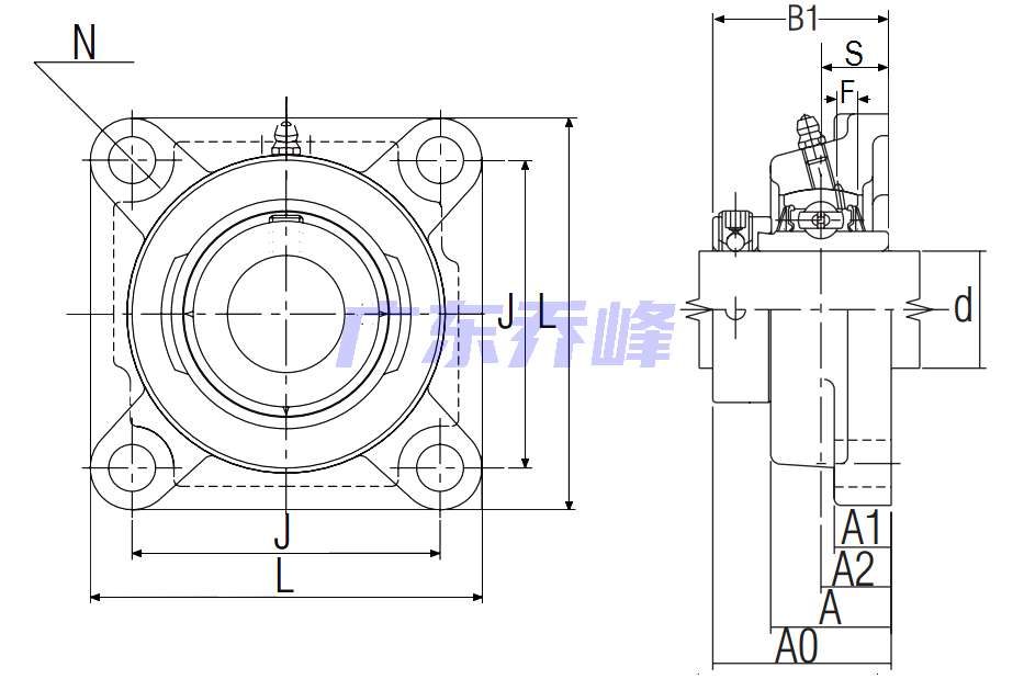
NTN UELFU-7/8軸承尺寸規格
| 超一流四螺栓法蘭式軸承座,偏心鎖緊,UELFU型 - 尺寸 | |
| d | 7/8 in 22.225 mm |
| L | 3.7813 in 96.0 mm |
| J | 2.7500 in 69.9 mm |
| A | 1.1875 in 30.2 mm |
| A0 | 1.8125 in 46.000 mm |
| A1 | 0.5938 in 15.1 mm |
| A2 | 0.7500 in 19.1 mm |
| N | 0.4531 in 11.5 mm |
| B1 | 1.7480 in 44.400 mm |
| S | 0.6890 in 17.500 mm |
| F | 0.1772 in 4.500 mm |
NTN UELFU-7/8軸承尺寸圖
NTN UELFU-7/8軸承同尺寸型號
| UCFU-7/8 | 詳細尺寸,d:22.225mm,c:15.100mm,b:30.200mm,j:69.900mm,r:96.000mm |
| UELFU-7/8 | 詳細尺寸,d:22.225mm,c:15.100mm,b:30.200mm,j:69.900mm,r:96.000mm |
| 共計找到2條記錄 | |
NTN UELFU-7/8軸承相關配件/適用型號
| A-UEL205-014D1 | 詳細尺寸,d:22.225mm,dD:52.000mm,c:17.000mm,b:44.400mm,r:1.000mm |
NTN軸承推薦
| NTN 6310M8ZZC3軸承 | 描述:軸承型號:6310M8ZZC3,單列深溝球軸承 - 雙面防塵蓋 |
| NTN 6013LUNRC3軸承 | 描述:軸承型號:6013LUNRC3,單列深溝球軸承 - 單面密封(接觸式橡膠密封)帶止動環 |
| NTN 5210SC3軸承 | 描述:軸承型號:5210C3,雙列角接觸球軸承 - 開式,5200&5300系列 |
| NTN 562016軸承 | 描述:軸承型號:562016,雙向推力角接觸球軸承 |
| NTN NNU4948軸承 | 描述:軸承型號:NNU4948,雙列圓柱滾子軸承 - 圓柱孔 - NN型U |
| NTN NJ218軸承 | 描述:軸承型號:NJ218,圓柱滾子軸承 -可分離型內圈帶一個加強筋,外圈帶兩個加強筋 |
| NTN HMK3030軸承 | 描述:軸承型號:HMK3030,沖壓外圈滾針軸承 - HK,HMK型 |
| NTN NA4976軸承 | 描述:軸承型號:NA4976,機加工滾針軸承帶內圈 - NA48,NA49系列 |
| NTN UCP206-103D1軸承 | 描述:軸承型號:UCP206-103D1,軸承座,鑄造外殼,帶緊定螺釘,UCP/UCPX型 |
| NTN UELPL206-101D1軸承 | 描述:軸承型號:UELPL206-101D1,軸承座,鑄造外殼,帶偏心鎖緊套,UELP/UELPL型 |
進口軸承推薦
| FAG 24172BK30.C4軸承 | 描述:270 kg,調心滾子軸承 |
| NSK 6309VV CM P6軸承 | 描述:0.86 kg,單列深溝球軸承 |
| FAG 6222M.P5軸承 | 描述:5.32 kg, |
| FAG 24036-BE-XL-2VSR軸承 | 描述:23.3 kg,調心滾子軸承(X-life品質) |
| FAG SWC6000.2ZR/HT1軸承 | 描述:0.018 kg,單列深溝球軸承 |
MCGILL軸承推薦
| MCGILL CF1S軸承 | 基本尺寸,內徑:0.00000mm,外徑:25.40000mm,厚度:15.88000mm。 |
| MCGILL MR10N+MI6N軸承 | 基本尺寸,內徑:0.62500mm,外徑:1.12500mm,厚度:0.75000mm。 |
| MCGILL MCF22SB軸承 | 基本尺寸,內徑:0.00000mm,外徑:22.00000mm,厚度:12.00000mm。 |
| MCGILL CYR5-S軸承 | 基本尺寸,內徑:44.45000mm,外徑:127.00000mm,厚度:2.75000mm。 |
| MCGILL RD18軸承 | 基本尺寸,內徑:2.25000mm,外徑:3.50000mm,厚度:2.50000mm。 |

