NTN UELFLU207D1軸承技術規格
| 類型 | 雙螺栓菱形法蘭式軸承座單元 |
| 軸承類型 | 滾珠軸承 |
| 鎖緊裝置 | 偏心鎖緊套 |
| 密封型式 | 接觸式 |
| 密封圈材質 | 丁腈橡膠 |
| 軸承型號 | UEL207D1 |
| 軸承座型號 | FLU207D1 |
| 殼體材質 | 鑄鐵 |
| 殼體鑄造型式 | 一體成型 |
| 端蓋類型 | 開式 |
| 性能 | 輕型 |
| 基本額定動載荷 | 5800 lbf 25700 N 25.70 kN |
| 基本額定靜載荷 | 3450 lbf 15300 N 15.30 kN |
| 極限轉速 | 4200轉/分鐘 |
| 重量 | 3.100 lb 1.410 kg |
| 應用溫度范圍 | -40 to 250 oF -40 to 120 oC |
| 潤滑方式 | 可再潤滑 |
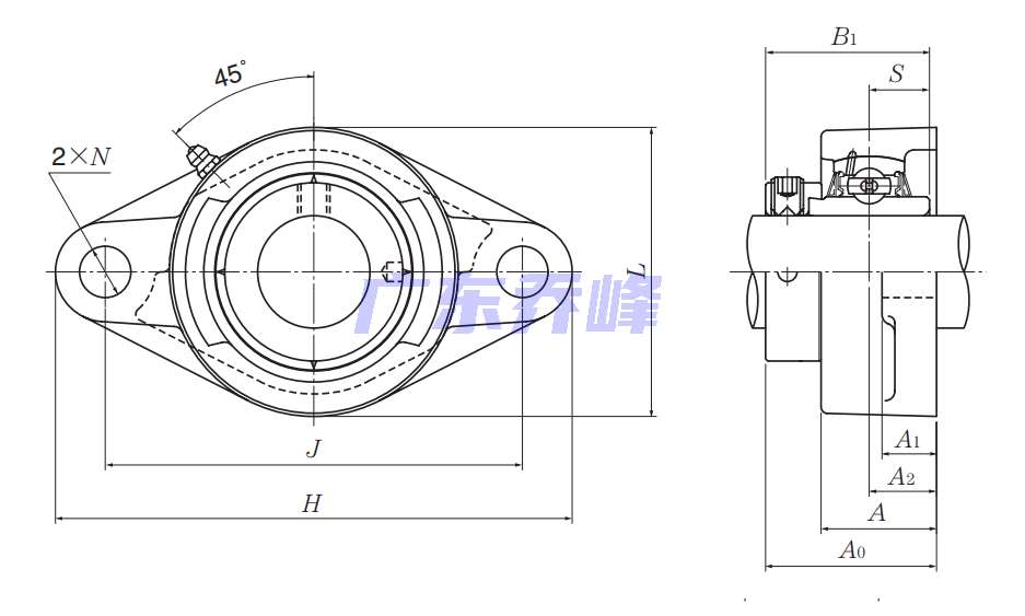
NTN UELFLU207D1軸承尺寸規格
| 雙螺栓菱形法蘭式軸承座單元,鑄造外殼,帶偏心鎖緊套,UELFLU型 - 尺寸 | |
| d | 1.3780 in 35.000 mm |
| H | 6.1562 in 156.0 mm |
| L | 3.7812 in 96.0 mm |
| J | 5.1250 in 130.0 mm |
| A | 1.4062 in 36.0 mm |
| A1 | 0.6562 in 17.0 mm |
| A2 | 0.8281 in 21.0 mm |
| N | 0.5469 in 14.0 mm |
| B1 | 2.0118 in 51.100 mm |
| S | 0.7402 in 18.800 mm |
| F | 0.1811 in 4.600 mm |
NTN UELFLU207D1軸承尺寸圖
NTN UELFLU207D1軸承同尺寸型號
| UELFLU207D1 | 詳細尺寸,d:35.000mm,h:156.00000mm,b:36.000mm,j:130.000mm,r:96.000mm |
| 共計找到1條記錄 | |
NTN UELFLU207D1軸承相關配件/適用型號
| UEL207D1 | 詳細尺寸,d:35.000mm,dD:72.000mm,c:20.000mm,b:51.100mm,r:1.500mm |
NTN軸承推薦
| NTN FL603軸承 | 描述:軸承型號:FL603,單列深溝球軸承 - 開式帶法蘭 |
| NTN 6205LH軸承 | 描述:軸承型號:6205LH,單列深溝球軸承 - 單面密封(輕接觸橡膠密封) |
| NTN BL305NR軸承 | 描述:軸承型號:BL305NR,單列深溝球軸承 - 開式帶止動環,BL系列 |
| NTN 6008ZNC3軸承 | 描述:軸承型號:6008ZNC3,單列深溝球軸承 - 單面防塵蓋帶止動環槽 |
| NTN 7010UC軸承 | 描述:軸承型號:7010UC,單列角接觸球軸承 - Ultage系列 |
| NTN MLECH71916CV軸承 | 描述:軸承型號:MLECH71916CV,密封混合陶瓷角接觸球軸承 - 接觸角 17°,高精度 |
| NTN 529/532X軸承 | 描述:軸承型號:529/532X,圓錐滾子軸承 - 英制系列和J系列 |
| NTN M1311N軸承 | 描述:軸承型號:M1311N,帶擋邊圓柱滾子軸承 |
| NTN 1R85X100X63軸承 | 描述:軸承型號:1R85X100X63,內圈 |
| NTN NK24/20R+1R20X24X20軸承 | 描述:軸承型號:NK24/20R+1R20X24X20,機加工滾針軸承帶內圈 - NA49.R,NA59,NA69R,NK.R+1R系列 |
進口軸承推薦
| SNR 6011EE J30 A50軸承 | 描述:0.387 kg,單列深溝球軸承 |
| ROLLWAY 6228C3軸承 | 描述:8.2 kg,單列深溝球軸承 |
| FAG BAX130-F-T-P4S-DBL軸承 | 描述:6.4 kg,單列角接觸球軸承 |
| SNR 6019ZZ J30軸承 | 描述:1.22 kg,單列深溝球軸承 |
| NKE 23064-MB-W33軸承 | 描述:80.1 kg,調心滾子軸承 |
MCGILL軸承推薦
| MCGILL MCF26AS軸承 | 基本尺寸,內徑:0.00000mm,外徑:26.00000mm,厚度:12.00000mm。 |
| MCGILL CCYR1-1/4-S軸承 | 基本尺寸,內徑:9.53000mm,外徑:31.75000mm,厚度:19.05000mm。 |
| MCGILL BCF5/8SB軸承 | 基本尺寸,內徑:0.00000mm,外徑:15.88000mm,厚度:11.11000mm。 |
| MCGILL ROLLWAY-NJ216EM軸承 | 基本尺寸,內徑:80.00000mm,外徑:140.00000mm,厚度:26.00000mm。 |
| MCGILL MCF26ASBX軸承 | 基本尺寸,內徑:0.00000mm,外徑:26.00000mm,厚度:12.00000mm。 |

