NTN UCFU-1.15/16軸承技術規格
| 類型 | 四螺栓方形法蘭式軸承座 |
| 軸承類型 | 滾珠軸承 |
| 鎖緊裝置 | 緊定螺釘 |
| 密封型式 | 接觸式 |
| 密封圈材質 | 丁腈橡膠 |
| 軸承型號 | A-UC210-115D1 |
| 軸承座型號 | FU210D1V50 |
| 殼體材質 | 鑄鐵 |
| 殼體鑄造型式 | 一體成型 |
| 端蓋類型 | 開式 |
| 表面涂層 | 黑色氧化物 |
| 性能 | 輕型 |
| 基本額定動載荷 | 7850 lbf 35000 N 35.00 kN |
| 基本額定靜載荷 | 5200 lbf 23200 N 23.20 kN |
| 最大擰緊力矩 | 69磅·英寸 |
| 極限轉速 | 3050轉/分鐘 |
| 重量 | 6.239 lb 2.830 kg |
| 應用溫度范圍 | -40 to 250 oF -40 to 120 oC |
| 潤滑方式 | 可再潤滑 |
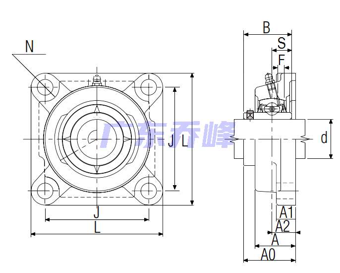
NTN UCFU-1.15/16軸承尺寸規格
| 超一流四螺栓法蘭式軸承座帶緊定螺釘,UCFU型 - 尺寸 | |
| d | 1-15/16 in 49.213 mm |
| L | 5.6563 in 143.7 mm |
| J | 4.3750 in 111.1 mm |
| A | 1.8125 in 46.0 mm |
| A0 | 2.3906 in 60.700 mm |
| A1 | 0.7813 in 19.8 mm |
| A2 | 1.1094 in 28.2 mm |
| N | 0.6719 in 17.1 mm |
| B | 2.0315 in 51.600 mm |
| S | 0.7480 in 19.000 mm |
| F | 0.2323 in 5.900 mm |
NTN UCFU-1.15/16軸承尺寸圖
NTN UCFU-1.15/16軸承同尺寸型號
| ARFU-1.15/16 | 詳細尺寸,d:49.213mm,c:19.800mm,b:46.000mm,j:111.100mm,r:143.700mm |
| UCFU-1.15/16 | 詳細尺寸,d:49.213mm,c:19.800mm,b:46.000mm,j:111.100mm,r:143.700mm |
| UELFU-1.15/16 | 詳細尺寸,d:49.213mm,c:19.800mm,b:46.000mm,j:111.100mm,r:143.700mm |
| 共計找到3條記錄 | |
NTN UCFU-1.15/16軸承相關配件/適用型號
| A-UC210-115D1 | 詳細尺寸,d:49.213mm,dD:90.000mm,c:24.000mm,b:51.600mm,r:1.500mm |
NTN軸承推薦
| NTN 6201LLBC3/LP03軸承 | 描述:軸承型號:6201LLBC3/LP03,單列深溝球軸承 - 雙面密封(非接觸式橡膠密封) |
| NTN W5207ZZ軸承 | 描述:軸承型號:W5207ZZ,單列深溝球軸承 - 雙面防塵蓋 |
| NTN 6212LBNRC3軸承 | 描述:軸承型號:6212LBNRC3,單列深溝球軸承 - 單面密封(非接觸式橡膠密封)帶止動環 |
| NTN HM261049/HM261010軸承 | 描述:軸承型號:HM261049/HM261010,圓錐滾子軸承 - 英制系列和J系列 |
| NTN 65395軸承 | 描述:軸承型號:65395,圓錐滾子軸承內圈 - 英制系列和J系列 |
| NTN NU316E軸承 | 描述:軸承型號:NU316E,圓柱滾子軸承 -可分離型,普通內圈,外圈帶兩個加強筋 - NU型 |
| NTN N236軸承 | 描述:軸承型號:N236,圓柱滾子軸承 -內圈帶兩個加強筋,可分離型,普通外圈 - N型 |
| NTN MU1024UX軸承 | 描述:軸承型號:MU1024UX,圓柱滾子軸承 - 不可分離型,內圈帶兩個加強筋,外圈帶一個加強筋,帶擋圈 |
| NTN MU7307TX軸承 | 描述:軸承型號:MU7307TX,圓柱滾子軸承 - 不可分離型,內圈帶兩個加強筋,外圈帶兩個擋圈 |
| NTN BK1214L軸承 | 描述:軸承型號:BK1214L,沖壓外圈滾針軸承 - BK型,單面密封 |
進口軸承推薦
| FAG 22338E1軸承 | 描述:78.4 kg,調心滾子軸承(X-life品質) |
| FAG 23932S.MB.C3軸承 | 描述:5.03 kg,調心滾子軸承 |
| SKF 6009-RS1/C3軸承 | 描述:0.239 kg,單列深溝球軸承 |
| SNR 22206軸承 | 描述:0.26 kg,調心滾子軸承 |
| TIMKEN 16005軸承 | 描述:0.056 kg,單列深溝球軸承 |
MCGILL軸承推薦
| MCGILL MR88N+MI72N軸承 | 基本尺寸,內徑:5.50000mm,外徑:7.00000mm,厚度:2.50000mm。 |
| MCGILL ROLLWAY-NU2310EMC3軸承 | 基本尺寸,內徑:50.00000mm,外徑:110.00000mm,厚度:40.00000mm。 |
| MCGILL CCFE1-1/2-SB軸承 | 基本尺寸,內徑:0.00000mm,外徑:38.10000mm,厚度:22.23000mm。 |
| MCGILL CCFD3-1/2軸承 | 基本尺寸,內徑:0.00000mm,外徑:3.50000mm,厚度:2.00000mm。 |
| MCGILL MCF62ABX軸承 | 基本尺寸,內徑:0.00000mm,外徑:62.00000mm,厚度:29.00000mm。 |

