NTN SM-UCTX05D1軸承技術規格
| 類型 | 滑塊式軸承座 |
| 軸承類型 | 滾珠軸承 |
| 鎖緊裝置 | 緊定螺釘 |
| 密封型式 | 接觸式 |
| 密封圈材質 | 丁腈橡膠 |
| 軸承型號 | UCX05D1 |
| 軸承座型號 | TX05D1 |
| 殼體材質 | 鑄鐵 |
| 性能 | 中型 |
| 基本額定動載荷 | 4400 lbf 19500 N 19.50 kN |
| 基本額定靜載荷 | 2540 lbf 11300 N 11.30 kN |
| 重量 | 3.300 lb 1.500 kg |
| 應用溫度范圍 | -40 to 250 oF -40 to 120 oC |
| 潤滑方式 | 可再潤滑 |
NTN SM-UCTX05D1軸承尺寸規格
| 滑塊式軸承座,鑄造外殼,帶緊定螺釘,壓制鋼防塵蓋,封閉端蓋,UCT型 - 尺寸 | |
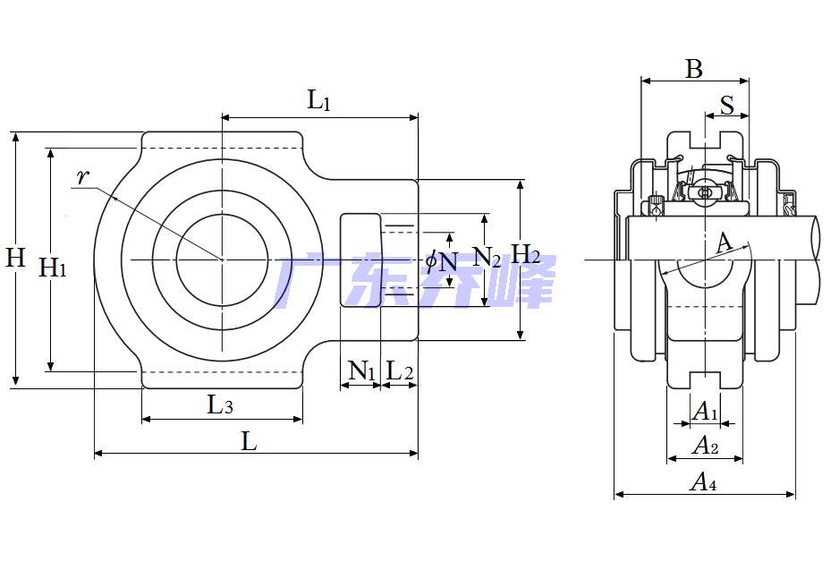
| d | 0.9843 in 25.000 mm |
| L | 4.4375 in 113.0 mm |
| H | 4.0313 in 102.0 mm |
| A4 | 2.4375 in 62.000 mm |
| H1 | 3.5000 in 89.0 mm |
| H2 | 2.2187 in 56.0 mm |
| L1 | 2.7500 in 70.0 mm |
| L2 | 0.4687 in 12.0 mm |
| L3 | 2.2500 in 57.0 mm |
| N | 0.8750 in 22.0 mm |
| N1 | 0.6250 in 16.0 mm |
| N2 | 1.4687 in 37.0 mm |
| A | 1.4687 in 37.0 mm |
| A1 | 0.4724 in 12.0 mm |
| A2 | 1.0937 in 28.0 mm |
| r | 1.6875 in 43.0 mm |
| B | 1.5000 in 38.100 mm |
| S | 0.6260 in 15.900 mm |
| F | 0.1811 in 4.600 mm |
NTN SM-UCTX05D1軸承尺寸圖
NTN SM-UCTX05D1軸承同尺寸型號
| S-UKT206D1 (when used with H2306X) | 詳細尺寸,d:25.000mm,h:102.00000mm,be:62.000mm,r:113.000mm,r2max:89.000mm |
| SM-UCTX05D1 | 詳細尺寸,d:25.000mm,h:102.00000mm,be:62.000mm,r:113.000mm,r2max:89.000mm |
| SM-UKT206D1 (when used with H2306X) | 詳細尺寸,d:25.000mm,h:102.00000mm,be:62.000mm,r:113.000mm,r2max:89.000mm |
| S-UCTX05D1 | 詳細尺寸,d:25.000mm,h:102.00000mm,be:62.000mm,r:113.000mm,r2max:89.000mm |
| 共計找到4條記錄 | |
NTN SM-UCTX05D1軸承相關配件/適用型號
| UCX05D1 | 詳細尺寸,d:25.000mm,dD:62.000mm,c:20.000mm,b:38.100mm,r:1.000mm |
NTN軸承推薦
| NTN 6907軸承 | 描述:軸承型號:6907,單列深溝球軸承 - 開式 |
| NTN 6911LLBC3軸承 | 描述:軸承型號:6911LLBC3,單列深溝球軸承 - 雙面密封(非接觸式橡膠密封) |
| NTN EC-6205LLU軸承 | 描述:軸承型號:EC-6205LLU,膨脹補償軸承 - 雙面密封(接觸式橡膠密封) |
| NTN HTA016DB軸承 | 描述:軸承型號:HTA016DB,軸向載荷雙聯角接觸球軸承 - HTA型 |
| NTN HTA921DB軸承 | 描述:軸承型號:HTA921DB,軸向載荷雙聯角接觸球軸承 - HTA型 |
| NTN 7226B軸承 | 描述:軸承型號:7226B,單列角接觸球軸承 - 開式 |
| NTN LL771948/LL77191#39軸承 | 描述:軸承型號:LL771948/LL77191#39,圓錐滾子軸承 - 英制系列和J系列 |
| NTN MU1309X軸承 | 描述:軸承型號:MU1309X,內圈帶滾子帶兩個加強筋 |
| NTN N2209軸承 | 描述:軸承型號:N2209,圓柱滾子軸承 -內圈帶兩個加強筋,可分離型,普通外圈 - N型 |
| NTN MA5316TL軸承 | 描述:軸承型號:MA5316TL,圓柱滾子軸承 -可分離型,普通內圈,外圈帶兩個擋圈 |
進口軸承推薦
| NSK 6321CE軸承 | 描述:7.9717 kg,單列深溝球軸承 |
| NACHI 21311EW33C3軸承 | 描述:1.276 kg,調心滾子軸承 |
| ZWZ 22316CAC3W33軸承 | 描述:6.2 kg,調心滾子軸承 |
| TORRINGTON 22316K軸承 | 描述:5.73 kg,調心滾子軸承 |
| NACHI 6005 2RS C3軸承 | 描述:0.076 kg,單列深溝球軸承 |
MCGILL軸承推薦
| MCGILL CFE3SB軸承 | 基本尺寸,內徑:0.00000mm,外徑:76.20000mm,厚度:44.45000mm。 |
| MCGILL MCYRD50軸承 | 基本尺寸,內徑:50.00000mm,外徑:90.00000mm,厚度:30.00000mm。 |
| MCGILL CCYR7-S軸承 | 基本尺寸,內徑:69.85000mm,外徑:177.80000mm,厚度:95.25000mm。 |
| MCGILL SB22219W33YSS軸承 | 基本尺寸,內徑:95.00000mm,外徑:170.00000mm,厚度:43.00000mm。 |
| MCGILL MCF16SBX軸承 | 基本尺寸,內徑:0.00000mm,外徑:16.00000mm,厚度:11.00000mm。 |

