NTN S-UKFC211D1 (when used with HA2311)軸承技術規格
| 類型 | 四螺栓圓形法蘭式軸承座 |
| 軸承類型 | 滾珠軸承 |
| 鎖緊裝置 | 緊定襯套 |
| 密封型式 | 接觸式 |
| 密封圈材質 | 丁腈橡膠 |
| 軸承型號 | UK211D1 |
| 軸承座型號 | FC211D1 |
| 殼體材質 | 鑄鐵 |
| 殼體鑄造型式 | 一體成型 |
| 端蓋類型 | 開式 |
| 性能 | 輕型 |
| 基本額定動載荷 | 9800 lbf 43500 N 43.50 kN |
| 基本額定靜載荷 | 6550 lbf 29200 N 29.20 kN |
| 重量 | 9.700 lb 4.400 kg |
| 應用溫度范圍 | -40 to 250 oF -40 to 120 oC |
| 潤滑方式 | 可再潤滑 |
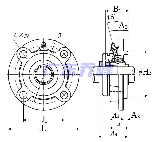
NTN S-UKFC211D1 (when used with HA2311)軸承尺寸規格
| 四螺栓圓形法蘭式軸承座,鑄造外殼,帶緊定襯套,壓制鋼防塵蓋,開式端蓋,UKFC型 - 尺寸 | |
| d | 1.8750 in 47.625 mm |
| L | 7.2812 in 185.0 mm |
| J | 5.9062 in 150.0 mm |
| J1 | 4.1719 in 106.1 mm |
| A | 1.6875 in 43.0 mm |
| A1 | 1.2187 in 31.0 mm |
| A2 | 0.5156 in 13.0 mm |
| A3 | 0.4687 in 12.0 mm |
| A4 | 2.7969 in 71.000 mm |
| H3 | 4.9213 in 125.0 mm |
| N | 0.7500 in 19.0 mm |
| B1 | 2.3230 in 59.000 mm |
| F | 0.2362 in 6.000 mm |
| 注意 | 銷售圖紙反映的是不帶緊定襯套的尺寸,實際上是帶的,因此需要注意。如不能很好把握,可直接致電020-81178086咨詢我們。 |
NTN S-UKFC211D1 (when used with HA2311)軸承尺寸圖
NTN S-UKFC211D1 (when used with HA2311)軸承同尺寸型號
| UKFC211D1 (when used with HA2311) | 詳細尺寸,d:47.625mm,c:31.000mm,b:43.000mm,j:150.000mm,r:185.000mm |
| S-UKFC211D1 (when used with HA2311) | 詳細尺寸,d:47.625mm,c:31.000mm,b:43.000mm,j:150.000mm,r:185.000mm |
| 共計找到2條記錄 | |
NTN S-UKFC211D1 (when used with HA2311)軸承相關配件/適用型號
| UK211D1 | 詳細尺寸,d:55.000mm,dD:100.000mm,c:25.000mm,b:35.000mm |
NTN軸承推薦
| NTN 6902LLUNR軸承 | 描述:軸承型號:6902LLUNR,單列深溝球軸承 - 雙面密封(接觸式橡膠密封)帶止動環 |
| NTN 61805軸承 | 描述:軸承型號:61805,單列深溝球軸承 - 開式 |
| NTN WPS103TP2軸承 | 描述:軸承型號:WPS103TP2,外球面軸承 - 球面外圈 |
| NTN 562964M軸承 | 描述:軸承型號:562964M,雙向推力角接觸球軸承 |
| NTN 52393/52618軸承 | 描述:軸承型號:52393/52618,圓錐滾子軸承 - 英制系列和J系列 |
| NTN 681A/672軸承 | 描述:軸承型號:681A/672,圓錐滾子軸承 - 英制系列和J系列 |
| NTN 26882軸承 | 描述:軸承型號:26882,圓錐滾子軸承內圈 - 英制系列和J系列 |
| NTN 787軸承 | 描述:軸承型號:787,圓錐滾子軸承內圈 - 英制系列和J系列 |
| NTN MA1212EV軸承 | 描述:軸承型號:MA1212EV,圓柱滾子軸承 -可分離型,普通內圈,外圈帶兩個加強筋 |
| NTN K35X40X19軸承 | 描述:軸承型號:K35X40X19,滾針和保持架組件 |
進口軸承推薦
| NSK 6022DDUCMNS7軸承 | 描述:1.9729 kg, |
| SKF 6213-2Z軸承 | 描述:0.989 kg,單列深溝球軸承 |
| FAG 22207ESK軸承 | 描述:0.4 kg,調心滾子軸承 |
| NSK 60BNR10STYNDBBLP4軸承 | 描述:1.772 kg, 單列角接觸球軸承 |
| NSK 6012DDU CM軸承 | 描述:0.42 kg,單列深溝球軸承 |
MCGILL軸承推薦
| MCGILL MCF52SB軸承 | 基本尺寸,內徑:0.00000mm,外徑:52.00000mm,厚度:24.00000mm。 |
| MCGILL GR24SS+MI20軸承 | 基本尺寸,內徑:1.50000mm,外徑:2.06250mm,厚度:1.25000mm。 |
| MCGILL CCFE5/8N軸承 | 基本尺寸,內徑:0.00000mm,外徑:15.88000mm,厚度:10.31000mm。 |
| MCGILL MCYRR-6-S-W軸承 | 基本尺寸,內徑:6.00000mm,外徑:19.00000mm,厚度:11.00000mm。 |
| MCGILL ROLLWAY-U5220EMR軸承 | 基本尺寸,內徑:100.00000mm,外徑:180.00000mm,厚度:60.30000mm。 |

