NTN NUKRT52軸承技術規格
| 類型 | 凸輪從動軸承 |
| 材質 | 淬透鋼 |
| 螺紋類型 | 公制 |
| 保持架材質 | 無 |
| 極限轉速-脂潤滑 | 3300轉/分鐘 |
| 滾子型式 | 球面 |
| 螺柱類型 | 公制 |
| 軸承類型 | 滾針軸承 |
| 外圈類型 | 球面 |
| 附件 | 防塵蓋 |
| 驅動裝置型式 | 插入式 |
| 結構 | 單列 |
| 扭矩 | 98.0 N ·m |
| 基本額定靜載荷 | 12900 lbf 57500 N |
| 基本額定動載荷 | 9550 lbf 42500 N |
| 軌道額定載荷 | 1250 lbf 5550 N |
| 重量 | 0.992 lb 0.450 kg |
| 應用溫度范圍 | -40 to 250 oF -40 to 120 oC |
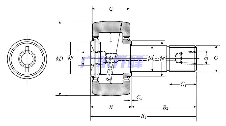
NTN NUKRT52軸承尺寸規格
| 凸輪從動螺柱式滾輪軸承 - 球面外圈,NUKRT型 - 尺寸 | |
| G | M20x1.5 |
| B1 | 2.5984 in 66.000 mm |
| B2 | 1.5945 in 40.500 mm |
| D | 2.0472 in 52.000 mm |
| D公差 | 0/-0.0020 in 0/-0.050 mm |
| B | 1.0039 in 25.500 mm |
| C | 0.9449 in 24.000 mm |
| d1 | 0.7874 in 20.000 mm |
| d1公差 | 0/-0.0008 in 0/-0.021 mm |
| G1 | 0.8268 in 21.000 mm |
| e | 1.2205 in 31.000 mm |
| F | 1.1811 in 30.000 mm |
| C1 | 0.0315 in 0.800 mm |
| n | PT1/8 |
| m | PT1/8 |
| 注油嘴尺寸 | A-PT1/8 |
NTN NUKRT52軸承尺寸圖
NTN軸承推薦
| NTN 6907LLUC3軸承 | 描述:軸承型號:6907LLUC3,單列深溝球軸承 - 雙面密封(接觸式橡膠密封) |
| NTN 6022ZZNRC3軸承 | 描述:軸承型號:6022ZZNRC3,單列深溝球軸承 - 雙面防塵蓋帶止動環 |
| NTN 2218SC3軸承 | 描述:軸承型號:2218C3,自調心球軸承 - 圓柱孔 |
| NTN BST40X90-1BLXLDFTT軸承 | 描述:軸承型號:BST40X90-1BLXLDFTT,滾珠絲杠用四列角接觸推力球軸承 - DFTT配對,雙面密封,三排承受軸向載荷 |
| NTN AEL201-008W3軸承 | 描述:軸承型號:AEL201-008W3,帶偏心鎖緊套的外球面軸承,狹窄內圈 - 球面外圈 |
| NTN UEL312D1軸承 | 描述:軸承型號:UEL312D1,帶偏心鎖緊套的外球面軸承,寬外圈 - 球面外圈 |
| NTN UELS317-307D1軸承 | 描述:軸承型號:UELS317-307D1,帶偏心鎖緊套的外球面軸承,寬外圈 - 圓柱內徑 |
| NTN 2878/2820軸承 | 描述:軸承型號:2878/2820,圓錐滾子軸承 - 英制系列和J系列 |
| NTN HM813842/HM813811軸承 | 描述:軸承型號:HM813842/HM813811,圓錐滾子軸承 - 英制系列和J系列 |
| NTN M1216TX軸承 | 描述:軸承型號:M1216TX,帶保持架和滾子的外圈,兩個擋圈 |
進口軸承推薦
| NSK 23140EAE4軸承 | 描述:41.26 kg,調心滾子軸承 |
| FAG 22248-BE軸承 | 描述:84 kg,調心滾子軸承 |
| NTN 62/22CM軸承 | 描述:0.117 kg,單列深溝球軸承 |
| SKF 22308CCK/W33軸承 | 描述:0.9 kg,調心滾子軸承 |
| SNFA EX70 7 CE3 T軸承 | 描述:1.18 kg, 單列角接觸球軸承 |
MCGILL軸承推薦
| MCGILL ROLLWAY-NJ315EMC3軸承 | 基本尺寸,內徑:75.00000mm,外徑:160.00000mm,厚度:37.00000mm。 |
| MCGILL MCYRR-40-S軸承 | 基本尺寸,內徑:40.00000mm,外徑:80.00000mm,厚度:35.00000mm。 |
| MCGILL CCFE1-1/8SB軸承 | 基本尺寸,內徑:0.00000mm,外徑:28.58000mm,厚度:15.88000mm。 |
| MCGILL MCFR85S軸承 | 基本尺寸,內徑:0.00000mm,外徑:85.00000mm,厚度:35.00000mm。 |
| MCGILL MR48RSS+MI38軸承 | 基本尺寸,內徑:3.00000mm,外徑:3.75000mm,厚度:1.75000mm。 |

