NTN NUKRT100X軸承技術規格
| 類型 | 凸輪從動軸承 |
| 材質 | 淬透鋼 |
| 螺紋類型 | 公制 |
| 保持架材質 | 無 |
| 極限轉速-脂潤滑 | 2000轉/分鐘 |
| 滾子型式 | 圓柱型 |
| 螺柱類型 | 公制 |
| 軸承類型 | 滾針軸承 |
| 外圈類型 | 圓柱型 |
| 附件 | 防塵蓋 |
| 驅動裝置型式 | 插入式 |
| 結構 | 單列 |
| 扭矩 | 630.0 N ·m |
| 基本額定靜載荷 | 37500 lbf 167000 N |
| 基本額定動載荷 | 26800 lbf 119000 N |
| 軌道額定載荷 | 17800 lbf 79000 N |
| 重量 | 6.790 lb 3.080 kg |
| 應用溫度范圍 | -40 to 250 oF -40 to 120 oC |
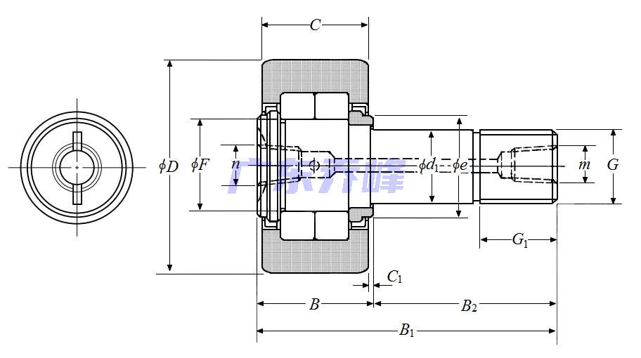
NTN NUKRT100X軸承尺寸規格
| 凸輪從動螺柱式滾輪軸承 - 圓柱內徑,NUKRT型 - 尺寸 | |
| G | M36x1.5 |
| B1 | 4.7244 in 120.000 mm |
| B2 | 2.9134 in 74.000 mm |
| D | 3.9370 in 100.000 mm |
| D公差 | 0/-0.0020 in 0/-0.050 mm |
| B | 1.8110 in 46.000 mm |
| C | 1.6929 in 43.000 mm |
| d1 | 1.4173 in 36.000 mm |
| d1公差 | 0/-0.0010 in 0/-0.025 mm |
| G1 | 1.4961 in 38.000 mm |
| e | 2.0866 in 53.000 mm |
| F | 1.9094 in 48.500 mm |
| C1 | 0.0591 in 1.500 mm |
| n | PT1/8 |
| m | PT1/8 |
| 注油嘴尺寸 | A-PT1/8 |
NTN NUKRT100X軸承尺寸圖
NTN軸承推薦
| NTN 6302LLHNC3軸承 | 描述:軸承型號:6302LLHNC3,單列深溝球軸承 - 雙面密封(輕接觸式密封),帶止動環槽 |
| NTN BL305軸承 | 描述:軸承型號:BL305,單列深溝球軸承 - 開式 |
| NTN 6208LLBNRC3軸承 | 描述:軸承型號:6208LLBNRC3,單列深溝球軸承 - 雙面密封(非接觸式橡膠密封)帶止動環 |
| NTN 6213LUNC3軸承 | 描述:軸承型號:6213LUNC3,單列深溝球軸承 - 單面密封(接觸式橡膠密封)帶止動環槽 |
| NTN ML71916HV軸承 | 描述:軸承型號:ML71916HV,高速單列角接觸球軸承 - 高精度 |
| NTN MLE7026HV軸承 | 描述:軸承型號:MLE7026HV,密封角接觸球軸承 - 接觸角 25°,標準精度 |
| NTN 7911軸承 | 描述:軸承型號:7911,單列角接觸球軸承 - 開式 |
| NTN 7219CDB/GMP4軸承 | 描述:軸承型號:7219CDB/GMP4,雙聯角接觸球軸承 - 背對背配對 |
| NTN MSN1313EV軸承 | 描述:軸承型號:MSN1313EV,圓柱滾子軸承 -可分離型,短內圈帶一個加強筋,外圈帶兩個加強筋 |
| NTN KBK17X21X23.2軸承 | 描述:軸承型號:KBK17X21X23.2,用于活塞銷的滾針和保持架組件 |
進口軸承推薦
| SKF 23192CA/W33軸承 | 描述:447 kg,調心滾子軸承 |
| TIMKEN 61907ZZ軸承 | 描述:0.079 kg,單列深溝球軸承 |
| FAG 108-1023軸承 | 描述:0.275 kg,單列深溝球軸承 |
| FAG 22356-K-MB軸承 | 描述:215.8 kg,調心滾子軸承 |
| INA MR63ZZ軸承 | 描述:0.0002 kg,單列深溝球軸承 |
MCGILL軸承推薦
| MCGILL BCFE1-3/8SB軸承 | 基本尺寸,內徑:0.00000mm,外徑:34.93000mm,厚度:19.05000mm。 |
| MCGILL MCFDE80X軸承 | 基本尺寸,內徑:0.00000mm,外徑:80.00000mm,厚度:35.00000mm。 |
| MCGILL CYR7S軸承 | 基本尺寸,內徑:69.85000mm,外徑:177.80000mm,厚度:3.75000mm。 |
| MCGILL MR24SS+MI19軸承 | 基本尺寸,內徑:1.50000mm,外徑:2.06250mm,厚度:1.25000mm。 |
| MCGILL ROLLWAY-E5221B軸承 | 基本尺寸,內徑:105.00000mm,外徑:190.00000mm,厚度:65.10000mm。 |

