NTN NUKR150X軸承技術規格
| 類型 | 凸輪從動軸承 |
| 材質 | 淬透鋼 |
| 螺紋類型 | 公制 |
| 保持架材質 | 無 |
| 極限轉速-脂潤滑 | 1300轉/分鐘 |
| 滾子型式 | 圓柱型 |
| 螺柱類型 | 公制 |
| 軸承類型 | 滾針軸承 |
| 外圈類型 | 圓柱型 |
| 附件 | 防塵蓋 |
| 驅動裝置型式 | 插入式 |
| 結構 | 單列 |
| 扭矩 | 1950.0 N ·m |
| 基本額定靜載荷 | 85500 lbf 380000 N |
| 基本額定動載荷 | 58000 lbf 258000 N |
| 軌道額定載荷 | 39000 lbf 173000 N |
| 重量 | 21.385 lb 9.700 kg |
| 應用溫度范圍 | -40 to 250 oF -40 to 120 oC |
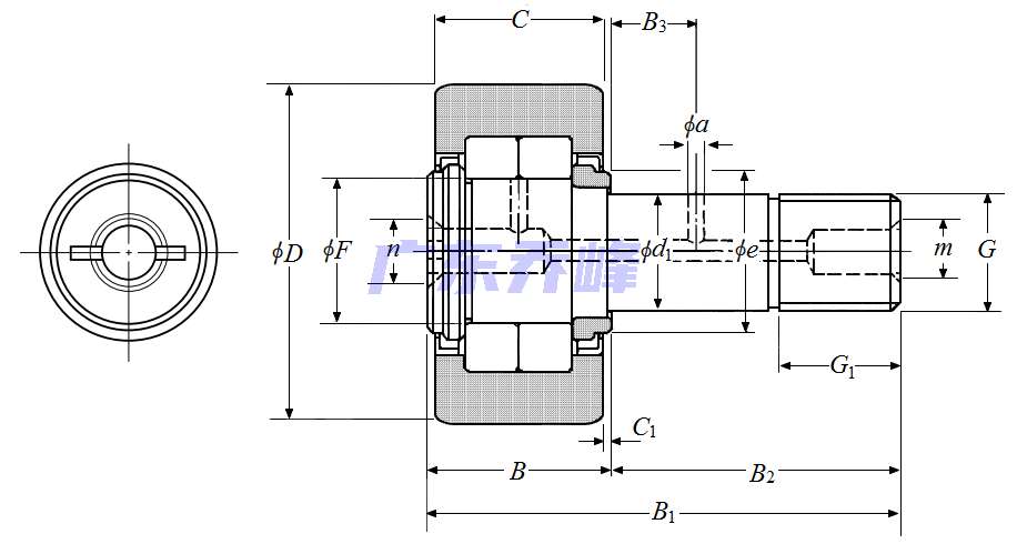
NTN NUKR150X軸承尺寸規格
| 凸輪從動螺柱式滾輪軸承 - 圓柱內徑,NUKR型 - 尺寸 | |
| G | M52x1.5 |
| B1 | 6.6929 in 170.000 mm |
| B2 | 4.2126 in 107.000 mm |
| D | 5.9055 in 150.000 mm |
| D公差 | 0/-0.0020 in 0/-0.050 mm |
| B | 2.4803 in 63.000 mm |
| C | 2.3622 in 60.000 mm |
| d1 | 2.0472 in 52.000 mm |
| d1公差 | 0/-0.0012 in 0/-0.030 mm |
| G1 | 2.0472 in 52.000 mm |
| e | 3.3661 in 85.500 mm |
| F | 2.9724 in 75.500 mm |
| C1 | 0.0591 in 1.500 mm |
| n | 0.3150 in 8.000 mm |
| m | PT1/8 |
| 注油嘴尺寸 | A-PT1/8 |
NTN NUKR150X軸承尺寸圖
NTN軸承推薦
| NTN TMB308LLUC3軸承 | 描述:軸承型號:TMB308LLUC3,單列深溝球軸承 - 雙面密封(接觸式橡膠密封) |
| NTN BL307NRC3軸承 | 描述:軸承型號:BL307NRC3,單列深溝球軸承 - 開式帶止動環,BL系列 |
| NTN 5308ST2ZZNR軸承 | 描述:軸承型號:5308T2ZZNR,雙列角接觸球軸承 - 雙面防塵蓋帶止動環 |
| NTN 7210CG/GNP4軸承 | 描述:軸承型號:7210CG/GNP4,單列角接觸球軸承 - 開式 |
| NTN HPS106GP軸承 | 描述:軸承型號:HPS106GP,帶緊定襯套的軸承 - HP型,六角孔,球面外圈 |
| NTN 539/532A軸承 | 描述:軸承型號:539/532A,圓錐滾子軸承 - 英制系列和J系列 |
| NTN JH415647/JH415610軸承 | 描述:軸承型號:JH415647/JH415610,圓錐滾子軸承 - 英制系列和J系列 |
| NTN SL04-5088NR軸承 | 描述:軸承型號:SL04-5088NR,滑輪用雙列圓柱滾子軸承帶止動環 |
| NTN NUP2211軸承 | 描述:軸承型號:NUP2211,圓柱滾子軸承 -可分離型,短內圈帶一個加強筋,帶側板,外圈帶兩個加強筋 |
| NTN MA1214EX軸承 | 描述:軸承型號:MA1214EX,圓柱滾子軸承 -可分離型,普通內圈,外圈帶兩個加強筋 |
進口軸承推薦
| SKF 6212-RS1Z/C3GJN軸承 | 描述:0.783 kg,單列深溝球軸承 |
| NTN 6805JR ZZ/5K軸承 | 描述:0.0211 kg,單列深溝球軸承 |
| FAG 23034-E1A-XL-K-M-C2軸承 | 描述:12 kg,調心滾子軸承(X-life品質) |
| FAG 6304-2Z-C3軸承 | 描述:0.144 kg,鋼密封(兩面) 更高(內部)游隙 20x52x15mm |
| SKF 6205-2RSL/C3軸承 | 描述:0.1303 kg,單列深溝球軸承 |
MCGILL軸承推薦
| MCGILL CFH1-1/8軸承 | 基本尺寸,內徑:0.00000mm,外徑:28.58000mm,厚度:15.88000mm。 |
| MCGILL CFH3SB軸承 | 基本尺寸,內徑:0.00000mm,外徑:76.20000mm,厚度:44.45000mm。 |
| MCGILL BCCF3/4S軸承 | 基本尺寸,內徑:0.00000mm,外徑:19.05000mm,厚度:12.70000mm。 |
| MCGILL BCYR1S軸承 | 基本尺寸,內徑:7.94000mm,外徑:25.40000mm,厚度:15.88000mm。 |
| MCGILL CCF3-1/4-SB軸承 | 基本尺寸,內徑:0.00000mm,外徑:82.55000mm,厚度:44.45000mm。 |

