NTN NATR30XLL軸承技術規格
| 類型 | 擋圈型滾輪軸承 |
| 滾子型式 | 滾針 |
| 軸承類型 | 滾針軸承 |
| 材質 | 高碳鉻鋼 |
| 保持架材質 | 鋼 |
| 外圈類型 | 圓柱型 |
| 極限轉速-油潤滑 | 5500轉/分鐘 |
| 極限轉速-脂潤滑 | 4000轉/分鐘 |
| 附件 | 雙面密封 |
| 基本額定靜載荷 | 14800 lbf 66000 N 66.00 kN |
| 基本額定動載荷 | 8100 lbf 36000 N 36.00 kN |
| 軌道額定載荷 | 7400 lbf 33000 N |
| 重量 | 1.036 lb 0.470 kg |
| 應用溫度范圍 | -40 to 250 oF -40 to 120 oC |
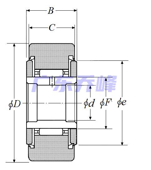
NTN NATR30XLL軸承尺寸規格
| 擋圈型滾輪軸承 - 帶內圈,雙面密封,NATR型,圓柱內徑 - 尺寸 | |
| d | 1.1811 in 30.000 mm |
| D(0/-0.050) | 2.4409 in 62.000 mm |
| F | 1.4961 in 38.000 mm |
| e | 2.0079 in 51.000 mm |
| C | 1.1024 in 28.000 mm |
| B | 1.1417 in 29.000 mm |
| B公差 | 0/-0.210 mm |
NTN NATR30XLL軸承尺寸圖
NTN NATR30XLL軸承在售型號
| 在售型號 | 庫存數量 | 市場價 |
| NATR30XLL/3AS | 224 | 107.85 |
| 注:可直接聯系銷售人員了解詳情。 | ||
NTN軸承推薦
| NTN R8LLU軸承 | 描述:軸承型號:R8LLU,單列深溝球軸承 - 雙面密封(接觸式橡膠密封) |
| NTN BL306ZNR軸承 | 描述:軸承型號:BL306ZNR,單列深溝球軸承 - 單面防塵蓋帶止動環,BL系列 |
| NTN XLS3-1/4ASC3軸承 | 描述:軸承型號:XLS3-1/4ASC3,單列深溝球軸承 - 單面防塵蓋 |
| NTN 2780/2720軸承 | 描述:軸承型號:2780/2720,圓錐滾子軸承 - 英制系列和J系列 |
| NTN 30302U軸承 | 描述:軸承型號:30302,圓錐滾子軸承 - 公制系列 |
| NTN 413128軸承 | 描述:軸承型號:413128,雙列圓錐滾子軸承 |
| NTN NN3022K軸承 | 描述:軸承型號:NN3022K,雙列圓柱滾子軸承 - 圓錐孔 - NN型 |
| NTN MSN1926EL軸承 | 描述:軸承型號:MSN1926EL,圓柱滾子軸承 -可分離型,短內圈帶一個加強筋,外圈帶兩個加強筋 |
| NTN 239/530L1KC3PX50軸承 | 描述:軸承型號:239/530L1KC3PX50,調心滾子軸承 - 圓錐孔 |
| NTN UCHP210-115D1軸承 | 描述:軸承型號:UCHP210-115D1,軸承座,帶緊定螺釘,鑄造外殼,中心高,UCHP型 |
進口軸承推薦
| NSK 6006CM軸承 | 描述:0.117 kg,單列深溝球軸承 |
| NKE 22318-CE-K-C3-W33軸承 | 描述:7.9 kg, |
| SKF 6201/12,7-2RS1軸承 | 描述:0.034 kg,單列深溝球軸承 |
| FAG 23068-K-MB-W209B-C4軸承 | 描述:104 kg,調心滾子軸承 |
| TIMKEN 6308-ZZ-C3軸承 | 描述:0.643 kg,單列深溝球軸承 |
MCGILL軸承推薦
| MCGILL MCF30SBX軸承 | 基本尺寸,內徑:0.00000mm,外徑:30.00000mm,厚度:14.00000mm。 |
| MCGILL GR32+MI27軸承 | 基本尺寸,內徑:2.00000mm,外徑:2.56250mm,厚度:1.25000mm。 |
| MCGILL MR28SS+MI24軸承 | 基本尺寸,內徑:1.75000mm,外徑:2.31250mm,厚度:1.25000mm。 |
| MCGILL BCCYR1-1/2S軸承 | 基本尺寸,內徑:11.11000mm,外徑:38.10000mm,厚度:22.23000mm。 |
| MCGILL MCFDE62軸承 | 基本尺寸,內徑:0.00000mm,外徑:62.00000mm,厚度:29.00000mm。 |

