NTN KR72XLLH軸承技術規格
| 類型 | 凸輪從動軸承 |
| 材質 | 淬透鋼 |
| 螺紋類型 | 公制 |
| 保持架材質 | 壓制鋼 |
| 極限轉速-油潤滑 | 6500轉/分鐘 |
| 極限轉速-脂潤滑 | 5000轉/分鐘 |
| 滾子型式 | 圓柱型 |
| 螺柱類型 | 公制 |
| 軸承類型 | 滾針軸承 |
| 外圈類型 | 圓柱型 |
| 附件 | 雙面密封 |
| 驅動裝置型式 | 六角頭 |
| 結構 | 單列 |
| 扭矩 | 178.0 N ·m |
| 基本額定靜載荷 | 12400 lbf 55000 N |
| 基本額定動載荷 | 6500 lbf 28900 N |
| 軌道額定載荷 | 8650 lbf 38500 N |
| 重量 | 2.293 lb 1.040 kg |
| 應用溫度范圍 | -40 to 250 oF -40 to 120 oC |
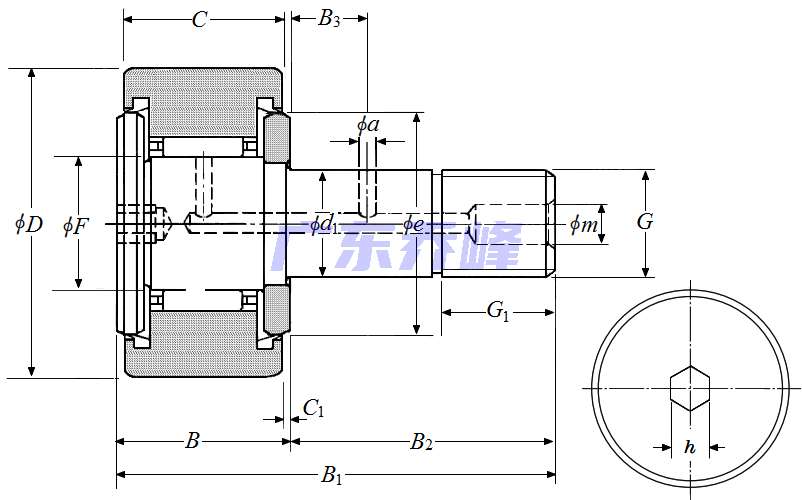
NTN KR72XLLH軸承尺寸規格
| 凸輪從動螺柱式滾輪軸承 - 圓柱內徑,KR..LLH型 - 尺寸 | |
| G | M24x1.5 |
| B1 | 3.1496 in 80.000 mm |
| B2 | 1.9488 in 49.500 mm |
| D | 2.8346 in 72.000 mm |
| D公差 | 0/-0.0020 in 0/-0.050 mm |
| B | 1.2008 in 30.500 mm |
| C | 1.1417 in 29.000 mm |
| d1 | 0.9449 in 24.000 mm |
| d1公差 | 0/-0.0008 in 0/-0.021 mm |
| G1 | 0.9843 in 25.000 mm |
| e | 1.7323 in 44.000 mm |
| B3 | 0.4331 in 11.000 mm |
| a | 0.1575 in 4.000 mm |
| F | 1.1811 in 30.000 mm |
| C1 | 0.0315 in 0.800 mm |
| h | 0.3150 in 8.000 mm |
| m | 0.3150 in 8.000 mm |
| 注油嘴尺寸 | NIP-B8 |
NTN KR72XLLH軸承尺寸圖
NTN軸承推薦
| NTN TMB203軸承 | 描述:軸承型號:TMB203,單列深溝球軸承 - 開式 |
| NTN 6805JRLUNR軸承 | 描述:軸承型號:6805LUNR,單列深溝球軸承 - 單面密封(接觸式橡膠密封)帶止動環 |
| NTN 6805JRLLBNR軸承 | 描述:軸承型號:6805LLBNR,單列深溝球軸承 - 雙面密封(非接觸式橡膠密封)帶止動環 |
| NTN EC-6304LLBC3軸承 | 描述:軸承型號:EC-6304LLBC3,膨脹補償軸承 - 雙面密封(非接觸式橡膠密封) |
| NTN W5205SLLU軸承 | 描述:軸承型號:W5205LLU,雙列角接觸球軸承 - 雙面密封(接觸式橡膠密封) |
| NTN 71914HVUJ84軸承 | 描述:軸承型號:71914HVUJ84,單列角接觸球軸承,高精度 |
| NTN M1309TV軸承 | 描述:軸承型號:M1309TV,帶保持架和滾子的外圈,兩個擋圈 |
| NTN NJ2220軸承 | 描述:軸承型號:NJ2220,圓柱滾子軸承 -可分離型內圈帶一個加強筋,外圈帶兩個加強筋 |
| NTN NH2326軸承 | 描述:軸承型號:NH2326,圓柱滾子軸承帶單擋邊內圈帶外圈&滾子組件,斜擋圈 - NH系列 |
| NTN MU1216CX軸承 | 描述:軸承型號:MU1216CX,圓柱滾子軸承 -內圈帶兩個加強筋,可分離型,普通外圈 |
進口軸承推薦
| NMB 607 2RS軸承 | 描述:0.008 kg,單列深溝球軸承 |
| NTN 6901LLU/5K軸承 | 描述:0.0102 kg,單列深溝球軸承 |
| NSK 6200V CM軸承 | 描述:0.032 kg,單列深溝球軸承 |
| FAG 6005.2RSR.C2.L76H軸承 | 描述:0.076 kg,單列深溝球軸承 |
| RHP 6302J軸承 | 描述:0.082 kg,單列深溝球軸承 |
MCGILL軸承推薦
| MCGILL CCFE1-5/8-SB軸承 | 基本尺寸,內徑:0.00000mm,外徑:41.28000mm,厚度:22.23000mm。 |
| MCGILL MCYR17S軸承 | 基本尺寸,內徑:17.00000mm,外徑:40.00000mm,厚度:20.00000mm。 |
| MCGILL GR14RSS+MI10軸承 | 基本尺寸,內徑:0.87500mm,外徑:1.37500mm,厚度:1.00000mm。 |
| MCGILL MCYRR30S軸承 | 基本尺寸,內徑:30.00000mm,外徑:62.00000mm,厚度:29.00000mm。 |
| MCGILL MCF47AS軸承 | 基本尺寸,內徑:0.00000mm,外徑:47.00000mm,厚度:24.00000mm。 |

