NTN JELFU-2軸承技術規格
| 類型 | 四螺栓方形法蘭式軸承座 |
| 軸承類型 | 滾珠軸承 |
| 鎖緊裝置 | 偏心鎖緊套 |
| 密封型式 | 接觸式 |
| 密封圈材質 | 丁腈橡膠 |
| 軸承型號 | A-JEL211-200D1 |
| 軸承座型號 | FU211D1V50 |
| 殼體材質 | 鑄鐵 |
| 殼體鑄造型式 | 一體成型 |
| 端蓋類型 | 開式 |
| 表面涂層 | 黑色氧化物 |
| 性能 | 輕型 |
| 基本額定動載荷 | 9750 lbf 43500 N 43.50 kN |
| 基本額定靜載荷 | 6550 lbf 29200 N 29.20 kN |
| 最大擰緊力矩 | 173磅·英寸 |
| 極限轉速 | 2900轉/分鐘 |
| 重量 | 8.532 lb 3.870 kg |
| 應用溫度范圍 | -40 to 250 oF -40 to 120 oC |
| 潤滑方式 | 可再潤滑 |
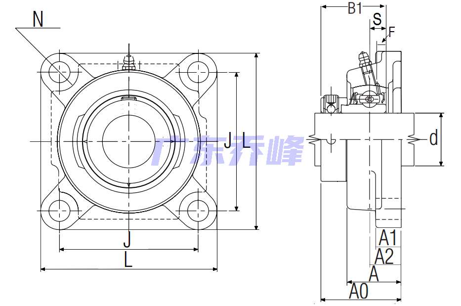
NTN JELFU-2軸承尺寸規格
| 超一流四螺栓法蘭式軸承座,偏心鎖緊,JELFU型 - 尺寸 | |
| d | 2 in 50.800 mm |
| L | 6.4063 in 162.7 mm |
| J | 5.1250 in 130.2 mm |
| A | 1.9375 in 49.2 mm |
| A0 | 2.6563 in 67.500 mm |
| A1 | 0.8125 in 20.6 mm |
| A2 | 1.2188 in 31.0 mm |
| N | 0.6719 in 17.1 mm |
| B1 | 1.9055 in 48.400 mm |
| S | 0.4724 in 12.000 mm |
| F | 0.1811 in 4.600 mm |
NTN JELFU-2軸承尺寸圖
NTN JELFU-2軸承同尺寸型號
| JELFU-2 | 詳細尺寸,d:50.800mm,c:20.600mm,b:49.200mm,j:130.200mm,r:162.700mm |
| UELFU-2 | 詳細尺寸,d:50.800mm,c:20.600mm,b:49.200mm,j:130.200mm,r:162.700mm |
| UCFU-2 | 詳細尺寸,d:50.800mm,c:20.600mm,b:49.200mm,j:130.200mm,r:162.700mm |
| UCFUX-2 | 詳細尺寸,d:50.800mm,c:20.600mm,b:49.200mm,j:130.200mm,r:162.700mm |
| 共計找到4條記錄 | |
NTN JELFU-2軸承相關配件/適用型號
| A-JEL211-200D1 | 詳細尺寸,d:50.800mm,dD:100.000mm,c:24.000mm,b:48.400mm,r:2.000mm |
NTN軸承推薦
| NTN 5210SEEG15軸承 | 描述:軸承型號:5210EEG15,雙列角接觸球軸承 - 雙面密封(接觸式橡膠密封) |
| NTN HTA036ADB軸承 | 描述:軸承型號:HTA036ADB,軸向載荷雙聯角接觸球軸承 - HTA型 |
| NTN 71934HV軸承 | 描述:軸承型號:71934HV,單列角接觸球軸承,高精度 |
| NTN HM88542/HM88512軸承 | 描述:軸承型號:HM88542/HM88512,圓錐滾子軸承 - 英制系列和J系列 |
| NTN MA1309EX軸承 | 描述:軸承型號:MA1309EX,圓柱滾子軸承 -可分離型,普通內圈,外圈帶兩個加強筋 |
| NTN KR72軸承 | 描述:軸承型號:KR72,凸輪從動螺柱式滾輪軸承 - 球面外圈,KR型 |
| NTN K64X70X16軸承 | 描述:軸承型號:K64X70X16,滾針和保持架組件 |
| NTN HMK4520軸承 | 描述:軸承型號:HMK4520,沖壓外圈滾針軸承 - HK,HMK型 |
| NTN AXN3062軸承 | 描述:軸承型號:AXN3062,帶雙向推力滾針軸承的滾針組合軸承 - AXN型 |
| NTN 22212EMD1軸承 | 描述:軸承型號:22212EMW33,調心滾子軸承 - 圓柱孔&注油槽,222系列 |
進口軸承推薦
| SNR 23226EAW33C3軸承 | 描述:13.4 kg, |
| SKF 607-Z/C2B470軸承 | 描述:0.008 kg,單列深溝球軸承 |
| FAG 61856-C5軸承 | 描述:6.53 kg,深溝球軸承618,主要尺寸符合DIN 625-1 |
| SKF 7200ACD/P4A軸承 | 描述:0.029 kg, 單列角接觸球軸承 |
| ROLLWAY 6302RS軸承 | 描述:0.082 kg,單列深溝球軸承 |
MCGILL軸承推薦
| MCGILL BCYR1-7/8S軸承 | 基本尺寸,內徑:12.70000mm,外徑:47.63000mm,厚度:25.40000mm。 |
| MCGILL GR32N+MI26N軸承 | 基本尺寸,內徑:2.00000mm,外徑:2.56250mm,厚度:1.00000mm。 |
| MCGILL CCFE1-1/8SB軸承 | 基本尺寸,內徑:0.00000mm,外徑:28.58000mm,厚度:15.88000mm。 |
| MCGILL BCCFE1-7/8SB軸承 | 基本尺寸,內徑:0.00000mm,外徑:47.63000mm,厚度:25.40000mm。 |
| MCGILL MCFR16BX軸承 | 基本尺寸,內徑:0.00000mm,外徑:16.00000mm,厚度:11.00000mm。 |

