NTN HSE022CDTBT/GNP4軸承代號說明
H
S
E
0
2
2
C
D
T
B
T
/
G
N
P
4
HSE:高速角接觸球軸承.HSE Ultage型,默認接觸角 20o
0:尺寸系列:10系列
22:內徑:110 mm
C:接觸角 15o
DTBT:四列配對 / / \ \
/GN:正常預緊
P4:P4級精度
HSE:
高速角接觸球軸承.HSE Ultage型,默認接觸角 20o
0:
尺寸系列:10系列
22:
內徑:110 mm
C:
接觸角 15o
DTBT:
四列配對 / / \ \
/GN:
正常預緊
P4:
P4級精度
NTN HSE022CDTBT/GNP4軸承技術規格
| 類型 | 角接觸球軸承 |
| 內孔型式 | 圓柱孔 |
| 材質 | 高碳鉻鋼 |
| 保持架型式 | 機加工 |
| 保持架材質 | 酚醛樹脂 |
| 滾珠材質 | 鋼 |
| 極限轉速-油潤滑 | 13875轉/分鐘 |
| 極限轉速-脂潤滑 | 8325轉/分鐘 |
| 精度 | ISO Class 4 |
| 結構 | 四列 |
| 預緊力 | 一般水平 |
| 附件 | 開式 |
| 重量 | 18.783 lb 8.520 kg |
| 應用溫度范圍 | -40 to 250 oF -40 to 120 oC |
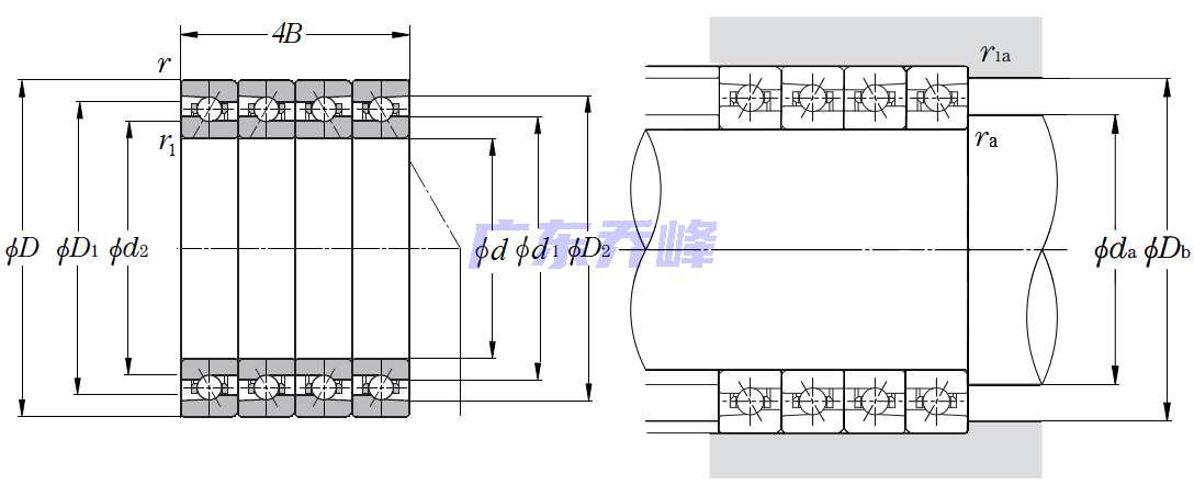
NTN HSE022CDTBT/GNP4軸承尺寸規格
| 高速多列角接觸球軸承 - HSE Ultage系列 - 尺寸 | |
| d | 4.3307 in 110.000 mm |
| D | 6.6929 in 170.000 mm |
| B | 1.1024 in 28.000 mm |
| 4B | 4.4094 in 112.000 mm |
| r | 0.0787 in 2.000 mm |
| r1 | 0.0394 in 1.000 mm |
| 接觸角 | 15 o |
NTN HSE022CDTBT/GNP4軸承尺寸圖
NTN軸承推薦
| NTN 6009LLUC3/EM軸承 | 描述:軸承型號:6009LLUC3/EM,單列深溝球軸承 - 雙面密封(接觸式橡膠密封) |
| NTN 16030軸承 | 描述:軸承型號:16030,單列深溝球軸承 - 開式 |
| NTN 7924CG/GNP4軸承 | 描述:軸承型號:7924CG/GNP4,單列角接觸球軸承 - 開式 |
| NTN 7328BX1WGDB/GL/4SQT軸承 | 描述:軸承型號:7328BX1WGDB/GL/4SQT,雙聯角接觸球軸承 - 背對背配對 |
| NTN A-UC205-100D1軸承 | 描述:軸承型號:A-UC205-100D1,超一流帶緊定螺釘的外球面軸承,寬外圈 - 球面外圈 |
| NTN JLM104910VW1軸承 | 描述:軸承型號:JLM104910VW1,圓錐滾子軸承外圈 - 英制系列和J系列 |
| NTN NU205EG1C3軸承 | 描述:軸承型號:NU205EG1C3,圓柱滾子軸承 -可分離型,普通內圈,外圈帶兩個加強筋 - NU型 |
| NTN HK2212軸承 | 描述:軸承型號:HK2212,沖壓外圈滾針軸承 - HK,HMK型 |
| NTN C-UCP309-111D1軸承 | 描述:軸承型號:C-UCP309-111D1,軸承座,帶緊定螺釘,鑄造防塵蓋,開式端蓋,UCP型 |
| NTN C-UKFL218D1 (when used with HA2318)軸承 | 描述:軸承型號:C-UKFL218D1(配合軸承:HA2318),雙螺栓菱形法蘭式軸承座單元,鑄造外殼,帶緊定襯套,鑄造防塵蓋,開式端蓋,UKFL型 |
進口軸承推薦
| ZWZ 23048CAC3W33軸承 | 描述:34 kg,調心滾子軸承 |
| FAG 61917-C3軸承 | 描述:0.55 kg,深溝球軸承 |
| NSK 7920CTYNSULP3軸承 | 描述:0.8 kg, |
| NTN 6201U1軸承 | 描述:0.036 kg,單列深溝球軸承 |
| RHP 22320EKMW33+11軸承 | 描述:12.2 kg,調心滾子軸承 |
MCGILL軸承推薦
| MCGILL BCCF2S軸承 | 基本尺寸,內徑:0.00000mm,外徑:50.80000mm,厚度:31.75000mm。 |
| MCGILL BCCYR3S軸承 | 基本尺寸,內徑:25.40000mm,外徑:76.20000mm,厚度:44.45000mm。 |
| MCGILL MR22+MI18軸承 | 基本尺寸,內徑:1.37500mm,外徑:1.87500mm,厚度:1.25000mm。 |
| MCGILL ROLLWAY-NJ307EMC3軸承 | 基本尺寸,內徑:35.00000mm,外徑:80.00000mm,厚度:21.00000mm。 |
| MCGILL GR52RSS+MI42軸承 | 基本尺寸,內徑:3.25000mm,外徑:4.25000mm,厚度:1.75000mm。 |

