NTN CR10X軸承技術規格
| 類型 | 凸輪從動軸承 |
| 材質 | 淬透鋼 |
| 螺紋類型 | 英制 |
| 保持架材質 | 穿孔鋼板 |
| 極限轉速-油潤滑 | 25000轉/分鐘 |
| 極限轉速-脂潤滑 | 18000轉/分鐘 |
| 滾子型式 | 圓柱型 |
| 軸承類型 | 滾針軸承 |
| 外圈類型 | 圓柱型 |
| 附件 | 開式 |
| 驅動裝置型式 | 插入式 |
| 結構 | 單列 |
| 扭矩 | 0.9 lb ·ft4 N ·m |
| 基本額定靜載荷 | 945 lbf 4200 N |
| 基本額定動載荷 | 910 lbf 4050 N |
| 重量 | 0.044 lb 0.020 kg |
| 應用溫度范圍 | -40 to 250 oF -40 to 120 oC |
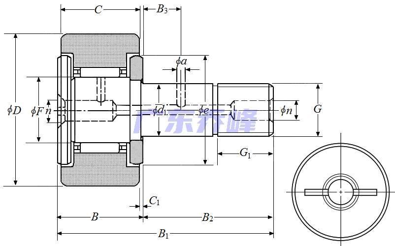
NTN CR10X軸承尺寸規格
| 凸輪從動螺柱式滾輪軸承 - 圓柱內徑,CR型 - 尺寸 | |
| G | 1/4-28UNF |
| B1 | 1.0945 in 27.800 mm |
| B2 | 0.6260 in 15.900 mm |
| D | 0.6250 in 15.875 mm |
| D公差 | 0/-0.0020 in 0/-0.050 mm |
| B | 0.4685 in 11.900 mm |
| C | 0.4063 in 10.319 mm |
| C公差 | 0/-0.0051 in 0/-0.130 mm |
| d1 | 0.2500 in 6.350 mm |
| d1公差 | 0.0010/0 in 0.025/0 mm |
| G1 | 0.3110 in 7.900 mm |
| e | 0.4921 in 12.500 mm |
| F | 0.3150 in 8.000 mm |
| C1 | 0.0315 in 0.800 mm |
| n | 0.1575 in 4.000 mm |
| 注油嘴尺寸 | NIP-B4 |
NTN CR10X軸承尺寸圖
NTN軸承推薦
| NTN 6000Z/1E軸承 | 描述:軸承型號:6000Z/1E,單列深溝球軸承 - 單面防塵蓋 |
| NTN 3304SC3軸承 | 描述:軸承型號:3304C3,雙列角接觸球軸承 - 開式 |
| NTN 71917CV軸承 | 描述:軸承型號:71917CV,單列角接觸球軸承,高精度 |
| NTN 7819CG/GNP4軸承 | 描述:軸承型號:7819CG/GNP4,單列角接觸球軸承 - 開式 |
| NTN JM738249A軸承 | 描述:軸承型號:JM738249A,圓錐滾子軸承內圈 - 英制系列和J系列 |
| NTN NH228E軸承 | 描述:軸承型號:NH228E,圓柱滾子軸承帶單擋邊內圈帶外圈&滾子組件,斜擋圈 - NH系列 |
| NTN NH330E軸承 | 描述:軸承型號:NH330E,圓柱滾子軸承帶單擋邊內圈帶外圈&滾子組件,斜擋圈 - NH系列 |
| NTN MR648032+MI-566432軸承 | 描述:軸承型號:MR648032+MI-566432,機加工滾針軸承帶內圈 - MR+MI系列 |
| NTN 23030VMKD1C4軸承 | 描述:軸承型號:23030VMKW33C4,調心滾子軸承,帶圓錐孔&注油槽 |
| NTN UCPG321D1軸承 | 描述:軸承型號:UCPG321D1,軸承座,帶緊定螺釘,鋼制外殼,UCPG型 |
進口軸承推薦
| SKF 6005-2RZ/LHT23軸承 | 描述:0.079 kg,單列深溝球軸承 |
| ROLLWAY 61834M C4軸承 | 描述:1.633 kg, |
| NTN 6000LLU/5KU1軸承 | 描述:0.02 kg,單列深溝球軸承 |
| FAG 22344-BE-XL-K-C4軸承 | 描述:117 kg,調心滾子軸承(X-life品質) |
| SKF 22211CCK/W33軸承 | 描述:0.8 kg,調心滾子軸承 |
MCGILL軸承推薦
| MCGILL FCF1-1/2SB軸承 | 基本尺寸,內徑:0.00000mm,外徑:1.50000mm,厚度:1.18800mm。 |
| MCGILL GR24+MI19軸承 | 基本尺寸,內徑:1.50000mm,外徑:2.06250mm,厚度:1.25000mm。 |
| MCGILL BCFE2-1/4S軸承 | 基本尺寸,內徑:0.00000mm,外徑:57.15000mm,厚度:31.75000mm。 |
| MCGILL CCYR2S軸承 | 基本尺寸,內徑:15.88000mm,外徑:50.80000mm,厚度:31.75000mm。 |
| MCGILL PCFE2-1/4軸承 | 基本尺寸,內徑:0.00000mm,外徑:2.25000mm,厚度:1.69000mm。 |

