NTN CM-UKP208SD1 (when used with HS2308X)軸承技術規格
| 類型 | 軸承座 |
| 軸承類型 | 滾珠軸承 |
| 鎖緊裝置 | 緊定襯套 |
| 密封型式 | 接觸式 |
| 密封圈材質 | 丁腈橡膠 |
| 軸承型號 | UK208D1 |
| 軸承座型號 | P208D1 |
| 殼體鑄造型式 | 一體成型 |
| 端蓋類型 | 一端開式,一端封閉式 |
| 性能 | 輕型 |
| 基本額定動載荷 | 6550 lbf 29100 N 29.10 kN |
| 基本額定靜載荷 | 4000 lbf 17800 N 17.80 kN |
| 重量 | 6.200 lb 2.800 kg |
| 應用溫度范圍 | -40 to 250 oF -40 to 120 oC |
| 潤滑方式 | 可再潤滑 |
NTN CM-UKP208SD1 (when used with HS2308X)軸承尺寸規格
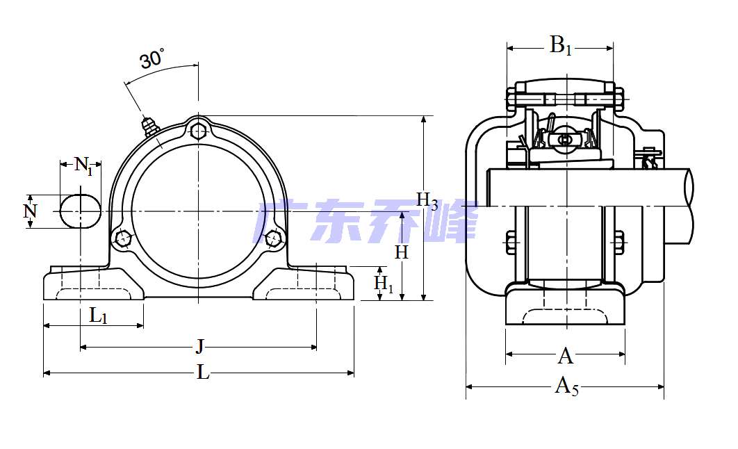
| 軸承座,帶緊定襯套,鑄造防塵蓋,封閉端蓋,UKP型 - 尺寸 | |
| d | 1.3750 in 34.925 mm |
| J | 5.4062 in 137.0 mm |
| L | 7.2500 in 184.0 mm |
| A | 2.1250 in 54.0 mm |
| A5 | 3.5312 in 90.000 mm |
| H | 1.9375 in 49.2 mm |
| H1 | 0.7187 in 18.0 mm |
| H3 | 4.1250 in 105.0 mm |
| L1 | 2.0625 in 52.0 mm |
| N | 0.6562 in 17.0 mm |
| N1 | 0.7812 in 20.0 mm |
| B1 | 1.8110 in 46.000 mm |
| F | 0.1772 in 4.500 mm |
| 注意 | 銷售圖紙反映的是不帶緊定襯套的尺寸,實際上是帶的,因此需要注意。如不能很好把握,可直接致電020-81178086咨詢我們。 |
NTN CM-UKP208SD1 (when used with HS2308X)軸承尺寸圖
NTN CM-UKP208SD1 (when used with HS2308X)軸承同尺寸型號
| C-UKP208SD1 (when used with HS2308X) | 詳細尺寸,d:34.925mm,j:137.000mm,bi:90.000mm,t:105.000mm,r:184.000mm |
| CM-UKP208SD1 (when used with HS2308X) | 詳細尺寸,d:34.925mm,j:137.000mm,bi:90.000mm,t:105.000mm,r:184.000mm |
| 共計找到2條記錄 | |
NTN CM-UKP208SD1 (when used with HS2308X)軸承相關配件/適用型號
| UK208D1 | 詳細尺寸,d:40.000mm,dD:80.000mm,c:21.000mm,b:31.000mm |
NTN軸承推薦
| NTN SSN202LL/LP03軸承 | 描述:軸承型號:SSN202LL/LP03,單列深溝球軸承 - 雙面密封(接觸式橡膠密封) |
| NTN 6007LLUNR軸承 | 描述:軸承型號:6007LLUNR,單列深溝球軸承 - 雙面密封(接觸式橡膠密封)帶止動環 |
| NTN 6813LBNRC3軸承 | 描述:軸承型號:6813LBNRC3,單列深溝球軸承 - 單面密封(非接觸式橡膠密封)帶止動環 |
| NTN 6313LLUC3軸承 | 描述:軸承型號:6313LLUC3,單列深溝球軸承 - 雙面密封(接觸式橡膠密封) |
| NTN 7203HG1DUJ74軸承 | 描述:軸承型號:7203HG1DUJ74,雙聯角接觸球軸承,高精度 - 萬能平頂軸承 |
| NTN 7030HV軸承 | 描述:軸承型號:7030HV,單列角接觸球軸承,高精度 |
| NTN 79M6ADF/GH軸承 | 描述:軸承型號:79M6ADF/GH,雙聯角接觸球軸承 - 面對面配對 |
| NTN HPS102GPE軸承 | 描述:軸承型號:HPS102GPE,帶緊定襯套的軸承 - HP型,六角孔,球面外圈 |
| NTN HM903247軸承 | 描述:軸承型號:HM903247,圓錐滾子軸承內圈 - 英制系列和J系列 |
| NTN M1311UV軸承 | 描述:軸承型號:M1311UV,帶保持架和滾子的外圈,一邊帶加強筋&一邊帶擋圈 |
進口軸承推薦
| SKF 6203-2RSH/WT軸承 | 描述:0.0651 kg,單列深溝球軸承 |
| NTN 629X50LLB/L683軸承 | 描述:0.019 kg,單列深溝球軸承 |
| SNR 61815ZZY軸承 | 描述:0.15 kg,單列深溝球軸承 |
| FAG 523349-3軸承 | 描述:53 kg,調心滾子軸承 |
| FAFNIR 9102PPG C4 FS104 LG軸承 | 描述:0.03 kg,單列深溝球軸承 |
MCGILL軸承推薦
| MCGILL CCYR7-S軸承 | 基本尺寸,內徑:69.85000mm,外徑:177.80000mm,厚度:95.25000mm。 |
| MCGILL CF5/8S軸承 | 基本尺寸,內徑:0.00000mm,外徑:15.88000mm,厚度:11.11000mm。 |
| MCGILL CYR1-5/8-S軸承 | 基本尺寸,內徑:11.11000mm,外徑:41.28000mm,厚度:22.23000mm。 |
| MCGILL CCFE5/8N軸承 | 基本尺寸,內徑:0.00000mm,外徑:15.88000mm,厚度:10.31000mm。 |
| MCGILL MR18+MI14軸承 | 基本尺寸,內徑:1.12500mm,外徑:1.62500mm,厚度:1.00000mm。 |

