NTN C-UKT207D1 (when used with H2307X)軸承技術規格
| 類型 | 滑塊式軸承座 |
| 軸承類型 | 滾珠軸承 |
| 密封型式 | 接觸式 |
| 密封圈材質 | 丁腈橡膠 |
| 鎖緊裝置 | 緊定襯套 |
| 軸承型號 | UK207D1 |
| 殼體材質 | 鑄鐵 |
| 軸承座型號 | T207D1 |
| 性能 | 輕型 |
| 基本額定動載荷 | 5800 lbf 25700 N 25.70 kN |
| 基本額定靜載荷 | 3450 lbf 15300 N 15.30 kN |
| 重量 | 6.200 lb 2.800 kg |
| 應用溫度范圍 | -40 to 250 oF -40 to 120 oC |
| 潤滑方式 | 可再潤滑 |
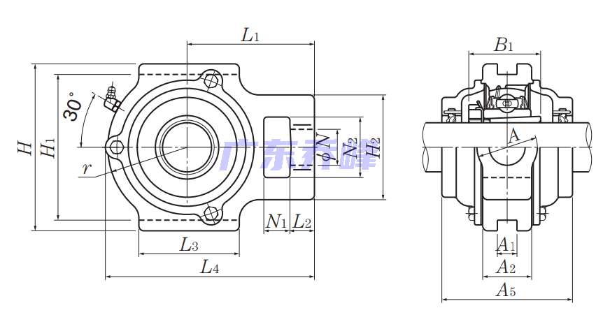
NTN C-UKT207D1 (when used with H2307X)軸承尺寸規格
| 滑塊式軸承座,鑄造外殼,帶緊定襯套,鑄造防塵蓋,開式端蓋,UKT型 - 尺寸 | |
| d | 1.1811 in 30.000 mm |
| L | 5.0937 in 129.0 mm |
| H | 4.0313 in 102.0 mm |
| A5 | 3.1562 in 80.000 mm |
| H1 | 3.5039 in 89.0 mm |
| H2 | 2.5312 in 64.0 mm |
| L1 | 3.0625 in 78.0 mm |
| L2 | 0.5937 in 15.0 mm |
| L3 | 2.5312 in 64.0 mm |
| N | 0.8750 in 22.0 mm |
| N1 | 0.6250 in 16.0 mm |
| N2 | 1.4687 in 37.0 mm |
| A | 1.4687 in 37.0 mm |
| A1 | 0.4724 in 12.0 mm |
| A2 | 1.1875 in 30.0 mm |
| r | 2.0000 in 51.0 mm |
| B1 | 1.6930 in 43.000 mm |
| F | 0.1811 in 4.600 mm |
| 注意 | 銷售圖紙反映的是不帶緊定襯套的尺寸,實際上是帶的,因此需要注意。如不能很好把握,可直接致電020-81178086咨詢我們。 |
NTN C-UKT207D1 (when used with H2307X)軸承尺寸圖
NTN C-UKT207D1 (when used with H2307X)軸承同尺寸型號
| CM-UKT207D1 (when used with H2307X) | 詳細尺寸,d:30.000mm,h:102.00000mm,bi:80.000mm,r:129.000mm,r2max:89.000mm |
| CM-UCTX06D1 | 詳細尺寸,d:30.000mm,h:102.00000mm,bi:80.000mm,r:129.000mm,r2max:89.000mm |
| C-UCTX06D1 | 詳細尺寸,d:30.000mm,h:102.00000mm,bi:80.000mm,r:129.000mm,r2max:89.000mm |
| C-UKT207D1 (when used with H2307X) | 詳細尺寸,d:30.000mm,h:102.00000mm,bi:80.000mm,r:129.000mm,r2max:89.000mm |
| 共計找到4條記錄 | |
NTN C-UKT207D1 (when used with H2307X)軸承相關配件/適用型號
| UK207D1 | 詳細尺寸,d:35.000mm,dD:72.000mm,c:20.000mm,b:29.000mm |
NTN軸承推薦
| NTN TMB207NRC3軸承 | 描述:軸承型號:TMB207NRC3,單列深溝球軸承 - 開式帶止動環 |
| NTN 6920軸承 | 描述:軸承型號:6920,單列深溝球軸承 - 開式 |
| NTN 458S/454軸承 | 描述:軸承型號:458S/454,圓錐滾子軸承 - 英制系列和J系列 |
| NTN 655/653軸承 | 描述:軸承型號:655/653,圓錐滾子軸承 - 英制系列和J系列 |
| NTN M1219TL軸承 | 描述:軸承型號:M1219TL,帶保持架和滾子的外圈,兩個擋圈 |
| NTN MR1024TX軸承 | 描述:軸承型號:MR1024TX,圓柱滾子軸承 -可分離型內圈帶一個加強筋,外圈帶兩個擋圈 |
| NTN KRVU62LL軸承 | 描述:軸承型號:KRVU62LL,凸輪從動螺柱式滾輪軸承 - 球面外圈,KRVU..LL型 |
| NTN NK65/25R軸承 | 描述:軸承型號:NK65/25R,機加工滾針軸承不帶內圈 - RNA49.R,RNA59,RNA69.R,NK.R,MR系列 |
| NTN NAO-40X55X17軸承 | 描述:軸承型號:NAO-40X55X17,機加工滾針軸承 -可分離型型帶內圈 |
| NTN AS1111軸承 | 描述:軸承型號:AS1111,AS墊圈 |
進口軸承推薦
| NTN 6804JRZZC4軸承 | 描述:0.0174 kg, |
| NACHI 6006軸承 | 描述:0.117 kg,單列深溝球軸承 |
| FAG 23132-E1-K-TVPB-C3軸承 | 描述:19 kg,調心滾子軸承(X-life品質) |
| SKF 24080ECCJ/C083W509軸承 | 描述:196.4 kg,調心滾子軸承 |
| FAG 23276-B-K-MB-C3軸承 | 描述:378 kg,調心滾子軸承 |
MCGILL軸承推薦
| MCGILL SB22218K-W33-SS軸承 | 基本尺寸,內徑:90.00000mm,外徑:160.00000mm,厚度:40.00000mm。 |
| MCGILL MCFR47SB軸承 | 基本尺寸,內徑:0.00000mm,外徑:47.00000mm,厚度:24.00000mm。 |
| MCGILL MR30SRS+MI25-4S軸承 | 基本尺寸,內徑:1.87500mm,外徑:2.43750mm,厚度:1.25000mm。 |
| MCGILL ROLLWAY-E5211B軸承 | 基本尺寸,內徑:55.00000mm,外徑:100.00000mm,厚度:33.30000mm。 |
| MCGILL GR36S+MI28軸承 | 基本尺寸,內徑:2.25000mm,外徑:3.00000mm,厚度:1.75000mm。 |

