NTN C-UCFL316D1軸承技術規格
| 類型 | 雙螺栓菱形法蘭式軸承座單元 |
| 軸承類型 | 滾珠軸承 |
| 鎖緊裝置 | 緊定螺釘 |
| 密封型式 | 接觸式 |
| 密封圈材質 | 丁腈橡膠 |
| 軸承型號 | UC316D1 |
| 軸承座型號 | FL316D1 |
| 殼體材質 | 鑄鐵 |
| 殼體鑄造型式 | 一體成型 |
| 端蓋類型 | 開式 |
| 性能 | 重型 |
| 基本額定動載荷 | 27700 lbf 123000 N 123.00 kN |
| 基本額定靜載荷 | 19400 lbf 86500 N 86.50 kN |
| 極限轉速 | 1800轉/分鐘 |
| 重量 | 35.000 lb 16.000 kg |
| 應用溫度范圍 | -40 to 250 oF -40 to 120 oC |
| 潤滑方式 | 可再潤滑 |
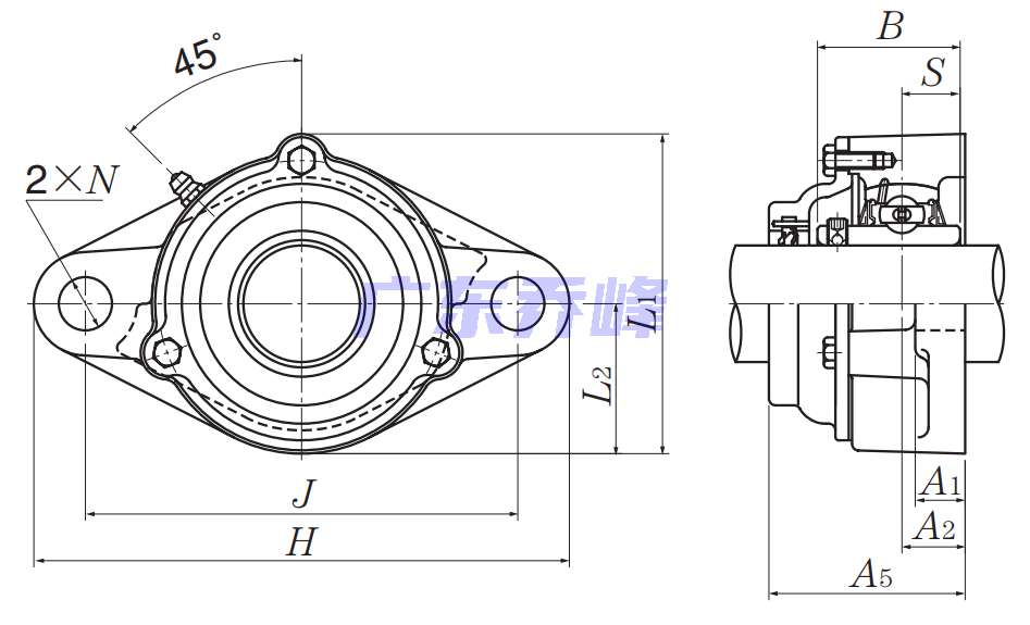
NTN C-UCFL316D1軸承尺寸規格
| 雙螺栓菱形法蘭式軸承座單元,帶緊定螺釘,鑄造防塵蓋,開式端蓋,UCFL型 - 尺寸 | |
| d | 3.1496 in 80.000 mm |
| H | 13.9687 in 355.0 mm |
| L | 8.2812 in 210.0 mm |
| L1 | 8.7500 in 222.0 mm |
| L2 | 4.1250 in 105.0 mm |
| J | 11.2187 in 285.0 mm |
| A1 | 1.2500 in 32.0 mm |
| A2 | 1.5000 in 38.0 mm |
| A5 | 4.5625 in 116.000 mm |
| N | 1.5000 in 38.0 mm |
| B | 3.3858 in 86.000 mm |
| S | 1.3386 in 34.000 mm |
| F | 0.4488 in 11.400 mm |
NTN C-UCFL316D1軸承尺寸圖
NTN C-UCFL316D1軸承同尺寸型號
| C-UCFL316D1 | 詳細尺寸,d:80.000mm,h:355.00000mm,b:116.000mm,j:285.000mm,r:222.000mm |
| CM-UCFL316D1 | 詳細尺寸,d:80.000mm,h:355.00000mm,b:116.000mm,j:285.000mm,r:222.000mm |
| 共計找到2條記錄 | |
NTN C-UCFL316D1軸承相關配件/適用型號
| UC316D1 | 詳細尺寸,d:80.000mm,dD:170.000mm,c:45.000mm,b:86.000mm,r:2.500mm |
NTN軸承推薦
| NTN 6200LLUN軸承 | 描述:軸承型號:6200LLUN,單列深溝球軸承 - 雙面密封(接觸式橡膠密封),帶止動環槽 |
| NTN 6002LHNR軸承 | 描述:軸承型號:6002LHNR,單列深溝球軸承 - 單面密封(輕接觸橡膠密封)帶止動環 |
| NTN 6906LBNRC3軸承 | 描述:軸承型號:6906LBNRC3,單列深溝球軸承 - 單面密封(非接觸式橡膠密封)帶止動環 |
| NTN 55187C/55437軸承 | 描述:軸承型號:55187C/55437,圓錐滾子軸承 - 英制系列和J系列 |
| NTN 95525/95975軸承 | 描述:軸承型號:95525/95975,圓錐滾子軸承 - 英制系列和J系列 |
| NTN 460軸承 | 描述:軸承型號:460,圓錐滾子軸承內圈 - 英制系列和J系列 |
| NTN M1212TL軸承 | 描述:軸承型號:M1212TL,帶保持架和滾子的外圈,兩個擋圈 |
| NTN NH2205E軸承 | 描述:軸承型號:NH2205E,圓柱滾子軸承帶單擋邊內圈帶外圈&滾子組件,斜擋圈 - NH系列 |
| NTN N212P5軸承 | 描述:軸承型號:N212P5,圓柱滾子軸承 -內圈帶兩個加強筋,可分離型,普通外圈 - N型 |
| NTN NU212C3軸承 | 描述:軸承型號:NU212C3,圓柱滾子軸承 -可分離型,普通內圈,外圈帶兩個加強筋 - NU型 |
進口軸承推薦
| FAG 23864-MB-H40-C3軸承 | 描述:17.5 kg,調心滾子軸承 |
| RHP 22322.EVBC4+11軸承 | 描述:17.5 kg,調心滾子軸承 |
| NSK 6303軸承 | 描述:0.115 kg,單列深溝球軸承 |
| FAG 22213ESK軸承 | 描述:1.37 kg,調心滾子軸承 |
| FAG 6214.2ZR.C4軸承 | 描述:1.09 kg,單列深溝球軸承 |
MCGILL軸承推薦
| MCGILL MCFD72軸承 | 基本尺寸,內徑:0.00000mm,外徑:72.00000mm,厚度:29.00000mm。 |
| MCGILL ROLLWAY-NUP215EM軸承 | 基本尺寸,內徑:75.00000mm,外徑:130.00000mm,厚度:25.00000mm。 |
| MCGILL CYR-1.3/8-SB軸承 | 基本尺寸,內徑:9.53000mm,外徑:34.93000mm,厚度:19.05000mm。 |
| MCGILL CF7軸承 | 基本尺寸,內徑:0.00000mm,外徑:7.00000mm,厚度:95.25000mm。 |
| MCGILL FCF1-1/2SB軸承 | 基本尺寸,內徑:0.00000mm,外徑:1.50000mm,厚度:1.18800mm。 |

