NTN C-UCF210-115D1軸承技術規格
| 類型 | 四螺栓方形法蘭式軸承座 |
| 軸承類型 | 滾珠軸承 |
| 鎖緊裝置 | 緊定螺釘 |
| 密封型式 | 接觸式 |
| 密封圈材質 | 丁腈橡膠 |
| 軸承型號 | UC210-115D1 |
| 軸承座型號 | F210D1 |
| 殼體材質 | 鑄鐵 |
| 殼體鑄造型式 | 一體成型 |
| 端蓋類型 | 封閉 |
| 性能 | 輕型 |
| 基本額定動載荷 | 7850 lbf 35000 N 35.00 kN |
| 基本額定靜載荷 | 5200 lbf 23200 N 23.20 kN |
| 極限轉速 | 3100轉/分鐘 |
| 重量 | 6.600 lb 3.000 kg |
| 應用溫度范圍 | -40 to 250 oF -40 to 120 oC |
| 潤滑方式 | 可再潤滑 |
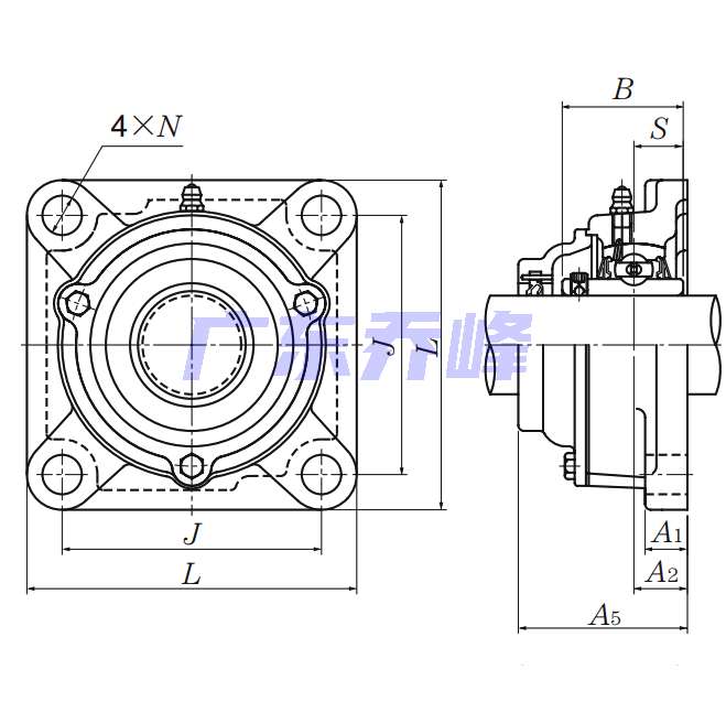
NTN C-UCF210-115D1軸承尺寸規格
| 四螺栓方形法蘭式軸承座,鑄造外殼,帶緊定螺釘,鑄造防塵蓋,開式端蓋,UCF型 - 尺寸 | |
| d | 1.9375 in 49.213 mm |
| L | 5.6250 in 143.0 mm |
| J | 4.3750 in 111.0 mm |
| A | 1.5625 in 40.0 mm |
| A1 | 0.6250 in 16.0 mm |
| A2 | 0.8594 in 22.0 mm |
| A5 | 2.8438 in 72.000 mm |
| N | 0.6250 in 16.0 mm |
| B | 2.0315 in 51.600 mm |
| S | 0.7480 in 19.000 mm |
| F | 0.2323 in 5.900 mm |
NTN C-UCF210-115D1軸承尺寸圖
NTN C-UCF210-115D1軸承同尺寸型號
| C-UCF210-115D1 | 詳細尺寸,d:49.213mm,b:40.000mm,j:111.000mm,bi:72.000mm,r:143.000mm |
| UELF210-115D1 | 詳細尺寸,d:49.213mm,c:60.100mm,b:40.000mm,j:111.000mm,r:143.000mm |
| CM-UCF210-115D1 | 詳細尺寸,d:49.213mm,b:40.000mm,j:111.000mm,bi:72.000mm,r:143.000mm |
| SUCF210-31 | 詳細尺寸,d:49.213mm,c:15.000mm,b:40.000mm,j:111.000mm,r:143.000mm |
| UCF210-115D1 | 詳細尺寸,d:49.213mm,c:54.600mm,b:40.000mm,j:111.000mm,r:143.000mm |
| 共計找到5條記錄 | |
NTN C-UCF210-115D1軸承相關配件/適用型號
| UC210-115D1 | 詳細尺寸,d:49.213mm,dD:90.000mm,c:25.000mm,b:51.600mm,r:1.500mm |
NTN軸承推薦
| NTN 6002LLB/0G軸承 | 描述:軸承型號:6002LLB/0G,單列深溝球軸承 - 雙面密封(非接觸式橡膠密封) |
| NTN 60/32LBNR軸承 | 描述:軸承型號:60/32LBNR,單列深溝球軸承 - 單面密封(非接觸式橡膠密封)帶止動環 |
| NTN BL314ZZC3/EM軸承 | 描述:軸承型號:BL314ZZC3/EM,單列深溝球軸承 - 雙面防塵蓋 |
| NTN 7005CVQ16J84軸承 | 描述:軸承型號:7005CVQ16J84,三列角接觸球軸承,機床用,Q16系列 |
| NTN HH221430軸承 | 描述:軸承型號:HH221430,圓錐滾子軸承內圈 - 英制系列和J系列 |
| NTN JM511945軸承 | 描述:軸承型號:JM511945,圓錐滾子軸承內圈 - 英制系列和J系列 |
| NTN NJ2316軸承 | 描述:軸承型號:NJ2316,圓柱滾子軸承 -可分離型內圈帶一個加強筋,外圈帶兩個加強筋 |
| NTN MU1212UX軸承 | 描述:軸承型號:MU1212UX,圓柱滾子軸承 - 不可分離型,內圈帶兩個加強筋,外圈帶一個加強筋,帶擋圈 |
| NTN CRV36XLLH軸承 | 描述:軸承型號:CRV36XLLH,凸輪從動螺柱式滾輪軸承 - 圓柱內徑,CRV..LLH型 |
| NTN PCJ404616軸承 | 描述:軸承型號:PCJ404616,滾針和保持架組件 |
進口軸承推薦
| TIMKEN 6219-2RS-C3軸承 | 描述:2.62 kg,單列深溝球軸承 |
| SKF 22318CJ/W33軸承 | 描述:8.06 kg, |
| NACHI 22324EXW33K軸承 | 描述:22.44 kg,調心滾子軸承 |
| NSK 6303Z CM軸承 | 描述:0.116 kg,單列深溝球軸承 |
| NSK 6301 2R軸承 | 描述:0.061 kg,單列深溝球軸承 |
MCGILL軸承推薦
| MCGILL MCFR47SB軸承 | 基本尺寸,內徑:0.00000mm,外徑:47.00000mm,厚度:24.00000mm。 |
| MCGILL GR96N+MI80N軸承 | 基本尺寸,內徑:6.00000mm,外徑:7.50000mm,厚度:2.50000mm。 |
| MCGILL CFH-5-S軸承 | 基本尺寸,內徑:0.00000mm,外徑:5.00000mm,厚度:69.85000mm。 |
| MCGILL MR104N+MI88N軸承 | 基本尺寸,內徑:6.50000mm,外徑:8.00000mm,厚度:2.50000mm。 |
| MCGILL SB22312W33SS軸承 | 基本尺寸,內徑:60.00000mm,外徑:130.00000mm,厚度:46.00000mm。 |

