NTN ASPF208軸承技術規格
| 類型 | 四螺栓法蘭式軸承座 |
| 軸承類型 | 滾珠軸承 |
| 鎖緊裝置 | 緊定螺釘 |
| 密封型式 | 接觸式 |
| 密封圈材質 | 丁腈橡膠 |
| 軸承型號 | AS208 |
| 軸承座型號 | PF208 |
| 殼體材質 | 鋼 |
| 殼體鑄造型式 | 兩片接合式 |
| 注油孔數 | 4 |
| 端蓋類型 | 開式 |
| 性能 | 輕型 |
| 基本額定動載荷 | 6550 lbf 29100 N 29.10 kN |
| 基本額定靜載荷 | 4000 lbf 17800 N 17.80 kN |
| 極限轉速 | 3700轉/分鐘 |
| 重量 | 2.000 lb 0.900 kg |
| 應用溫度范圍 | -40 to 250 oF -40 to 120 oC |
| 潤滑方式 | 不可再潤滑 |
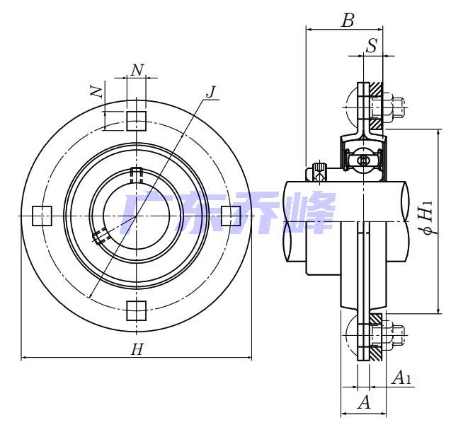
NTN ASPF208軸承尺寸規格
| 四螺栓圓形法蘭式軸承座,沖壓鋼外殼,帶緊定螺釘,ASPF型 - 尺寸 | |
| d | 1.5748 in 40.000 mm |
| H | 5.8125 in 148.0 mm |
| J | 4.6875 in 119.0 mm |
| A | 0.8125 in 21.0 mm |
| A1 | 0.2680 in 6.8 mm |
| N | 0.5312 in 13.5 mm |
| B | 1.4961 in 38.000 mm |
| S | 0.3543 in 9.000 mm |
| H1 | 3.5781 in 91.0 mm |
NTN ASPF208軸承尺寸圖
NTN ASPF208軸承同尺寸型號
| AELPF208 | 詳細尺寸,d:40.000mm,c:6.800mm,b:21.000mm,j:119.000mm,r:148.000mm |
| JELPF208 | 詳細尺寸,d:40.000mm,c:6.800mm,b:21.000mm,j:119.000mm,r:148.000mm |
| ASPF208 | 詳細尺寸,d:40.000mm,c:6.800mm,b:21.000mm,j:119.000mm,r:148.000mm |
| 共計找到3條記錄 | |
NTN ASPF208軸承相關配件/適用型號
| AS208 | 詳細尺寸,d:40.000mm,dD:80.000mm,c:18.000mm,b:38.000mm,r:1.500mm |
NTN ASPF208軸承在售型號
| 在售型號 | 庫存數量 | 市場價 |
| ASPF208-108 | 4524 | 73.26 |
| ASPF208 | 2707 | 77.55 |
| 注:可直接聯系銷售人員了解詳情。 | ||
NTN軸承推薦
| NTN 608LB軸承 | 描述:軸承型號:608LB,單列深溝球軸承 - 單面密封(非接觸式橡膠密封) |
| NTN 6900ZNRC3軸承 | 描述:軸承型號:6900ZNRC3,單列深溝球軸承 - 單面防塵蓋帶止動環 |
| NTN 6301LLBN軸承 | 描述:軸承型號:6301LLBN,單列深溝球軸承 - 雙面密封(非接觸式橡膠密封),帶止動環槽 |
| NTN 6905LLBC3軸承 | 描述:軸承型號:6905LLBC3,單列深溝球軸承 - 雙面密封(非接觸式橡膠密封) |
| NTN 6908LLBNR軸承 | 描述:軸承型號:6908LLBNR,單列深溝球軸承 - 雙面密封(非接觸式橡膠密封)帶止動環 |
| NTN 6012ZNRC3軸承 | 描述:軸承型號:6012ZNRC3,單列深溝球軸承 - 單面防塵蓋帶止動環 |
| NTN EC-6007ZZC3軸承 | 描述:軸承型號:EC-6007ZZC3,膨脹補償軸承 - 雙面防塵蓋 |
| NTN 71913HVDUJ84軸承 | 描述:軸承型號:71913HVDUJ84,雙聯角接觸球軸承,高精度 - 萬能平頂軸承 |
| NTN 34301/34500軸承 | 描述:軸承型號:34301/34500,圓錐滾子軸承 - 英制系列和J系列 |
| NTN H715332S/H715310軸承 | 描述:軸承型號:H715332S/H715310,圓錐滾子軸承 - 英制系列和J系列 |
進口軸承推薦
| SKF 6310-2Z/C3GJN軸承 | 描述:1.09 kg,單列深溝球軸承 |
| FAG 22208E1.C4軸承 | 描述:0.489 kg,調心滾子軸承(X-life品質) |
| BARDEN 105T軸承 | 描述:0.066 kg, 單列角接觸球軸承 |
| SKF 6009ZZ軸承 | 描述:0.232 kg,單列深溝球軸承 |
| NSK 24144CAME4C3軸承 | 描述:63.6 kg,調心滾子軸承 |
MCGILL軸承推薦
| MCGILL SB22224W33SS軸承 | 基本尺寸,內徑:120.00000mm,外徑:215.00000mm,厚度:58.00000mm。 |
| MCGILL CF1.7/8軸承 | 基本尺寸,內徑:0.00000mm,外徑:47.63000mm,厚度:25.40000mm。 |
| MCGILL BCYR1-5/8S軸承 | 基本尺寸,內徑:11.11000mm,外徑:41.28000mm,厚度:22.23000mm。 |
| MCGILL CCYR4-S軸承 | 基本尺寸,內徑:31.75000mm,外徑:101.60000mm,厚度:57.15000mm。 |
| MCGILL ROLLWAY-NU328EMC3軸承 | 基本尺寸,內徑:140.00000mm,外徑:300.00000mm,厚度:62.00000mm。 |

