NSK BSF30100DDUHP2B R BE4L 5軸承尺寸、參數與圖紙
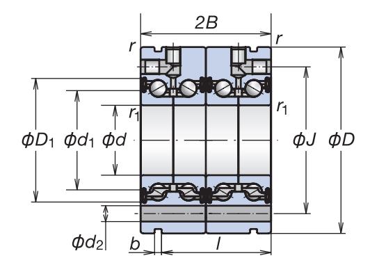
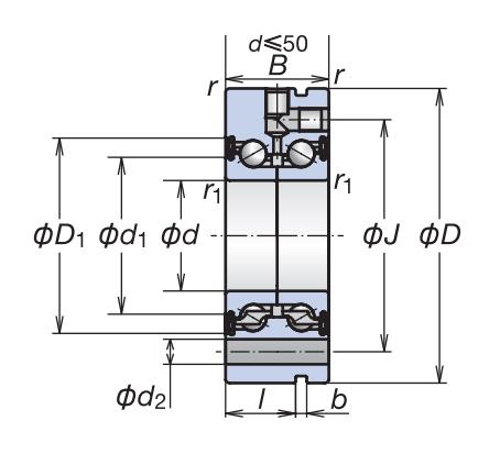
| 軸承尺寸及安裝尺寸(mm) | ||
| 內徑 | d | 30 |
| 外徑 | D | 100 |
| 厚度 | 38 | |
| rmin | 0.6 | |
| r1 min | 0.6 | |
| d1 | 49.1 | |
| D1 | 64.4 | |
| J | 80 | |
| d2 | 8.8 | |
| l | 30 | |
| b | 3 | |
| t | 8x45° | |
| 基本額定載荷(kN) | ||
| 基本額定動載荷 | Ca | 60.5 |
| 基本額定靜載荷 | Coa | 94 |
| 極限軸向靜載荷 | 66.5 | |
| 允許軸向靜載荷 | 46.55 | |
| 極限轉速(min-1) | ||
| 脂潤滑 | 3900 | |
| 其他參數 | ||
| 預緊力(N) | 4855 | |
| 軸向剛度(N/μm) | 950 | |
| 起動力矩(N·m) | 0.59 | |
| 螺母鎖緊力推薦值(N) | 11100 | |
| 形式 | II | |
| 螺栓公稱型號 | M8 | |
| 螺栓數量 | 8 | |
| 質量(kg)(參考值) | 1.71 | |
NSK軸承推薦
| NSK 7201ATYNDBLP5 Q軸承 | NSK 7201ATYNDBLP5 Q軸承,市場價:¥260.54元,當前庫存10套,添加時間:2023-08-28 13:49:54 |
| NSK N1015RSTPKRCC0P4Y軸承 | NSK N1015RSTPKRCC0P4Y軸承,市場價:¥1260.00元,當前庫存10套,添加時間:2023-08-30 14:50:47 |
| NSK 7005ATYDBC7P5軸承 | NSK 7005ATYDBC7P5軸承,市場價:¥238.56元,當前庫存1套,添加時間:2023-08-28 21:20:43 |
| NSK 51112軸承 | NSK 51112軸承,市場價:¥74.34元,當前庫存56套,添加時間:2023-09-01 10:24:32 |
| NSK HR32044XJU2U303 6軸承 | NSK HR32044XJU2U303 6軸承,市場價:¥3441.07元,當前庫存2套,添加時間:2023-08-31 16:36:41 |
SKF軸承推薦
| SKF NU2238ECM軸承 | 【單列圓柱滾子軸承】,內徑190.0000 mm,外徑340.0000 mm,厚度92.0000 mm |
| SKF SIL35ESL-2LS軸承 | 【帶陰螺紋的桿端關節軸承】,內徑35.0000 mm,外徑84.0000 mm,厚度25.0000 mm |
| SKF SNL3072G+C3072軸承 | 【大型 SNL 系列帶圓柱孔和標準密封件的立式軸承座】,內徑0.0000 mm,外徑0.0000 mm,厚度0.0000 mm |
| SKF YSP210SB-2DW/AG軸承 | 【帶座軸承】,內徑50.0000 mm,外徑90.0000 mm,厚度0.0000 mm |
| SKF 75X130X12HMSA10RG軸承 | 【適用于一般工業應用場合的徑向軸密封件】,內徑0.0000 mm,外徑0.0000 mm,厚度0.0000 mm |
INA軸承推薦
| INA NKI20/16-XL軸承 | INA NKI20/16-XL軸承,市場價:¥50.57元,當前庫存37套,添加時間:2023-08-24 09:34:11 |
| INA SL045018-PP-2NR軸承 | INA SL045018-PP-2NR軸承,市場價:¥1336.89元,當前庫存32套,添加時間:2023-08-23 13:06:15 |
| INA RNA4834-XL軸承 | INA RNA4834-XL軸承,市場價:¥1630.85元,當前庫存2套,添加時間:2023-08-24 10:34:59 |
| INA SX011868-VSP軸承 | INA SX011868-VSP軸承,市場價:¥26315.10元,當前庫存2套,添加時間:2023-08-24 22:36:04 |
| INA TASE70-XL軸承 | INA TASE70-XL軸承,市場價:¥630.00元,當前庫存51套,添加時間:2023-08-25 17:09:44 |

