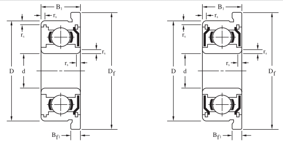
EZO SSF686ZZ軸承尺寸、參數與圖紙
| 基本尺寸 (mm) | |
| 軸承內徑 B | 6 |
| 軸承外徑 D | 13 |
| 法蘭外徑 Df | 15 |
| 倒角半徑 rs(min) | 0.15 |
| 開式軸承厚度 W | 3.5 |
| 開式軸承法蘭厚度 Bf | 1 |
| 密封軸承厚度 B1 | 5 |
| 密封軸承法蘭厚度 Bf1 | 1.1 |
| 重量(kg) | |
| 開式 | 1.87 |
| 開式帶法蘭 | 2.21 |
| 密封型 | 2.68 |
| 密封型帶法蘭 | 3.06 |
| 載荷(N) | |
| 基本動載荷 | 1082 |
| 基本靜載荷 | 442 |
| 極限轉速(rpm) | |
| 脂潤滑 | 40000 |
| 油潤滑 | 50000 |
| 滾珠參數 | |
| 數量 Z | 8 |
| 尺寸 Dw | 2 |
微型軸承推薦
| EZO SMF106ZZSK24軸承 | 基本尺寸,內徑:6.00000mm,外徑:10.00000mm,厚度:2.50000mm。 |
| NMB DDLF-1060ZZHP0P25LY121軸承 | 基本尺寸,內徑:6.00000mm,外徑:10.00000mm,厚度:2.50000mm。 |
| NMB DDLF-1280ZZHP0P25LY121軸承 | 基本尺寸,內徑:8.00000mm,外徑:12.00000mm,厚度:2.50000mm。 |
| NMB L-520X6ZZW52B18MTMNP5P13LY121軸承 | 基本尺寸,內徑:2.00000mm,外徑:5.00000mm,厚度:2.50000mm。 |
| EZO 684W3.5ZZ軸承 | 基本尺寸,內徑:4.00000mm,外徑:9.00000mm,厚度:2.50000mm。 |
FAG軸承推薦
| FAG 7416-B-XL-MP-UA軸承 | FAG 7416-B-XL-MP-UA軸承,市場價:¥5757.03元,當前庫存2套,添加時間:2023-08-18 09:55:21 |
| FAG 22230-E1-XL-K-C4軸承 | FAG 22230-E1-XL-K-C4軸承,市場價:¥4299.57元,當前庫存5套,添加時間:2023-08-20 13:45:31 |
| FAG 6302-H#E軸承 | FAG 6302-H#E軸承,市場價:¥6.82元,當前庫存20套,添加時間:2023-08-17 13:22:08 |
| FAG HS7021-C-T-P4S-UL軸承 | FAG HS7021-C-T-P4S-UL軸承,市場價:¥1604.27元,當前庫存13套,添加時間:2023-08-21 16:54:07 |
| FAG QJ230-N2-MPA#E軸承 | FAG QJ230-N2-MPA#E軸承,市場價:¥2880.00元,當前庫存12套,添加時間:2023-12-22 16:55:30 |
IKO軸承推薦
| IKO TAM2820軸承 | 基本尺寸,內徑:28.00000mm,外徑:37.00000mm,厚度:20.00000mm。 |
| IKO BA3010ZOH軸承 | 基本尺寸,內徑:47.62500mm,外徑:57.15000mm,厚度:15.88000mm。 |
| IKO GE8G軸承 | 基本尺寸,內徑:8.00000mm,外徑:19.00000mm,厚度:11.00000mm。 |
| IKO AZ20034039軸承 | 基本尺寸,內徑:200.00000mm,外徑:340.00000mm,厚度:39.00000mm。 |
| IKO BAM78軸承 | 基本尺寸,內徑:11.11200mm,外徑:15.87500mm,厚度:12.70000mm。 |

