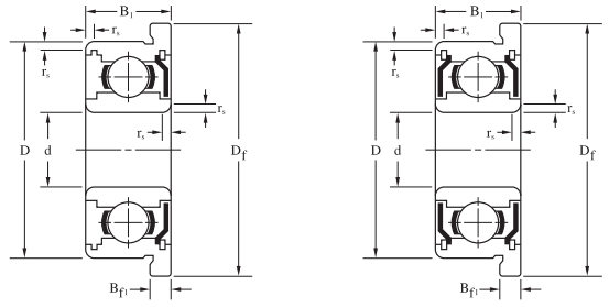
EZO SR155ZZ軸承尺寸、參數與圖紙
| 基本尺寸 (in) | |
| 軸承內徑 B | 0.1562 |
| 軸承外徑 D | 0.3125 |
| 法蘭外徑 Df | 0.359 |
| 倒角半徑 rs(min) | 0.0039 |
| 開式軸承厚度 B | 0.1094 |
| 開式軸承法蘭厚度 Bf | 0.023 |
| 密封軸承厚度 B1 | 0.125 |
| 密封軸承法蘭厚度 Bf1 | 0.036 |
| 重量(g) | |
| 開式 | 0.51 |
| 開式帶法蘭 | 0.58 |
| 密封型 | 0.61 |
| 密封型帶法蘭 | 0.72 |
| 載荷(N) | |
| 基本動載荷 | 359 |
| 基本靜載荷 | 150 |
| 極限轉速(rpm) | |
| 脂潤滑 | 53000 |
| 油潤滑 | 63000 |
| 滾珠參數 | |
| 數量 Z | 10 |
| 尺寸 Dw | 0.0394 |
微型軸承推薦
| NMB R-1340HHB18MTRA5P24LY532軸承 | 基本尺寸,內徑:4.00000mm,外徑:13.00000mm,厚度:5.00000mm。 |
| EZO SS6906-2RS軸承 | 基本尺寸,內徑:30.00000mm,外徑:47.00000mm,厚度:9.00000mm。 |
| NSK 605ZZMC3E NS7L6軸承 | 基本尺寸,內徑:5.00000mm,外徑:14.00000mm,厚度:5.00000mm。 |
| EZO 684ZZP6MC3 SRL軸承 | 基本尺寸,內徑:4.00000mm,外徑:9.00000mm,厚度:2.50000mm。 |
| EZO 6703-2RS軸承 | 基本尺寸,內徑:17.00000mm,外徑:23.00000mm,厚度:4.00000mm。 |
FAG軸承推薦
| FAG SNV340-F-L軸承 | FAG SNV340-F-L軸承,市場價:¥16521.06元,當前庫存5套,添加時間:2023-08-22 13:24:29 |
| FAG SES210-L軸承 | FAG SES210-L軸承,市場價:¥353.15元,當前庫存15套,添加時間:2023-08-22 13:25:34 |
| FAG 6214-J20AB-C3軸承 | FAG 6214-J20AB-C3軸承,市場價:¥2188.38元,當前庫存8套,添加時間:2023-08-17 15:59:41 |
| FAG 32306-A軸承 | FAG 32306-A軸承,市場價:¥33.36元,當前庫存56套,添加時間:2023-08-19 14:32:24 |
| FAG 623軸承 | FAG 623軸承,市場價:¥5.25元,當前庫存6套,添加時間:2023-08-17 12:55:09 |
IKO軸承推薦
| IKO TLA1216UU軸承 | 基本尺寸,內徑:12.00000mm,外徑:18.00000mm,厚度:16.00000mm。 |
| IKO NTB80105軸承 | 基本尺寸,內徑:80.00000mm,外徑:105.00000mm,厚度:4.00000mm。 |
| IKO YB168/MF3軸承 | 基本尺寸,內徑:25.40000mm,外徑:31.75000mm,厚度:12.70000mm。 |
| IKO NA4924軸承 | 基本尺寸,內徑:120.00000mm,外徑:165.00000mm,厚度:45.00000mm。 |
| IKO TAMW6045軸承 | 基本尺寸,內徑:60.00000mm,外徑:72.00000mm,厚度:45.00000mm。 |

