EZO 6913-2RS軸承尺寸、參數與圖紙
| 基本尺寸 (mm) | |
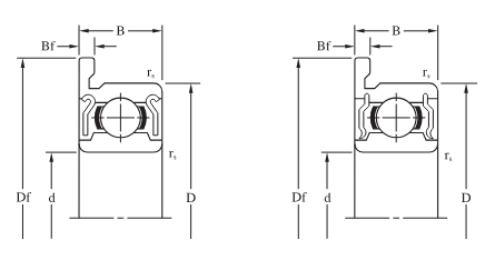
| 軸承內徑 d | 65 |
| 軸承外徑 D | 90 |
| 法蘭外徑 Df | - |
| 倒角半徑 rs(min) | 1 |
| 開式軸承厚度 B | 13 |
| 開式軸承法蘭厚度 Bf | - |
| 重量(g) | |
| 密封型 | 211 |
| 密封型帶法蘭 | - |
| 載荷(N) | |
| 基本動載荷 | 17400 |
| 基本靜載荷 | 16100 |
| 極限轉速(rpm) | |
| 脂潤滑 | 7100 |
| 油潤滑 | 8400 |
| 滾珠參數 | |
| 數量 Z | 19 |
| 尺寸 Dw | 7.144 |
微型軸承推薦
| EZO 6709-2RS軸承 | 基本尺寸,內徑:45.00000mm,外徑:55.00000mm,厚度:6.00000mm。 |
| EZO SR10-2RS SRL軸承 | 基本尺寸,內徑:0.62500mm,外徑:1.37500mm,厚度:0.28120mm。 |
| NSK MF63ZZMC3 NS7L5 軸承 | 基本尺寸,內徑:3.00000mm,外徑:6.00000mm,厚度:2.00000mm。 |
| EZO F695ZZW5軸承 | 基本尺寸,內徑:5.00000mm,外徑:13.00000mm,厚度:4.00000mm。 |
| EZO 6917C3軸承 | 基本尺寸,內徑:85.00000mm,外徑:120.00000mm,厚度:18.00000mm。 |
FAG軸承推薦
| FAG 6201-C-Z-TVH軸承 | FAG 6201-C-Z-TVH軸承,市場價:¥11.33元,當前庫存3049套,添加時間:2023-08-15 15:47:09 |
| FAG 23220-E1A-XL-K-M-C4軸承 | FAG 23220-E1A-XL-K-M-C4軸承,市場價:¥1497.32元,當前庫存20套,添加時間:2023-08-20 11:59:48 |
| FAG 6202-C-2Z-L138-R66軸承 | FAG 6202-C-2Z-L138-R66軸承,市場價:¥21.21元,當前庫存16922套,添加時間:2023-08-15 15:42:29 |
| FAG 6217-C3軸承 | FAG 6217-C3軸承,市場價:¥167.84元,當前庫存7套,添加時間:2023-08-17 11:14:14 |
| FAG 61907軸承 | FAG 61907軸承,市場價:¥120.75元,當前庫存5套,添加時間:2023-08-17 14:37:55 |
IKO軸承推薦
| IKO TA5530Z軸承 | 基本尺寸,內徑:55.00000mm,外徑:67.00000mm,厚度:30.00000mm。 |
| IKO NAST12ZZUU軸承 | 基本尺寸,內徑:12.00000mm,外徑:32.00000mm,厚度:11.80000mm。 |
| IKO TA2025Z軸承 | 基本尺寸,內徑:20.00000mm,外徑:27.00000mm,厚度:25.00000mm。 |
| IKO GE70EC-2RS軸承 | 基本尺寸,內徑:70.00000mm,外徑:105.00000mm,厚度:49.00000mm。 |
| IKO TAF688225軸承 | 基本尺寸,內徑:68.00000mm,外徑:82.00000mm,厚度:25.00000mm。 |

