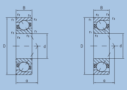
HRB 7203BTN/DBB軸承尺寸、參數與圖紙
| 外形尺寸 (mm) | |
| 軸承內徑 d | 17 |
| 軸承外徑 D | 40 |
| 軸承厚度 B | 12 |
| 倒角半徑 r1,2.min | 0.6 |
| 倒角半徑 r3,4.min | 0.3 |
| 擋肩和倒角尺寸 (mm) | |
| 內圈擋肩 da.min | 22 |
| 外圈擋肩 Da.max | 35 |
| 外圈擋肩 Db.max | - |
| 倒角半徑 ra.max | 0.6 |
| 倒角半徑 rb.max | - |
| 極限轉速-單列(r/min) | |
| 脂潤滑 | 14000 |
| 油潤滑 | 19000 |
| 極限轉速-組合(r/min) | |
| 脂潤滑 | 10000 |
| 油潤滑 | 15000 |
| 額定載荷-單列(kN) | |
| 額定動載荷 Cr | 9.93 |
| 額定靜載荷 Cor | 6.1 |
| 額定載荷-組合(kN) | |
| 額定動載荷 Cr | 16.1 |
| 額定靜載荷 Cor | 12.2 |
| 其他參數 | |
| 作用點位置 a | 18 mm |
| 參考重量 | 0.059 kg |
| 相關產品推薦 | |||
| 型號 | 市場價 | 喬峰價 | 庫存 |
| 7203BTN軸承 | ¥13元 | 電話咨詢 | 151 |
| 7203B軸承 | ¥13.69元 | 電話咨詢 | 50 |
角接觸球軸承推薦
| SKF S7008FBGB/HCP4E軸承 | 基本尺寸,內徑:30.00000mm,外徑:55.00000mm,厚度:13.00000mm。 |
| HRB 7306C/P4DBB軸承 | 基本尺寸,內徑:30.00000mm,外徑:72.00000mm,厚度:19.00000mm。 |
| FAG 7219-B-MP-DF軸承 | 基本尺寸,內徑:95.00000mm,外徑:170.00000mm,厚度:32.00000mm。 |
| FAG B7010-E-TVP-P4S-UL軸承 | 基本尺寸,內徑:50.00000mm,外徑:80.00000mm,厚度:16.00000mm。 |
| SKF 7202BECBP軸承 | 基本尺寸,內徑:15.00000mm,外徑:35.00000mm,厚度:11.00000mm。 |
FAG軸承推薦
| FAG 6030-2RSR軸承 | FAG 6030-2RSR軸承,市場價:¥1005.75元,當前庫存1套,添加時間:2023-08-17 11:38:58 |
| FAG NU1024-XL-M1-J20AA-C3軸承 | FAG NU1024-XL-M1-J20AA-C3軸承,市場價:¥3675.00元,當前庫存1套,添加時間:2023-08-19 09:46:36 |
| FAG T7FC055-XL-S1軸承 | FAG T7FC055-XL-S1軸承,市場價:¥914.55元,當前庫存6套,添加時間:2023-08-19 12:06:47 |
| FAG B71902-E-2RSD-T-P4S-UL軸承 | FAG B71902-E-2RSD-T-P4S-UL軸承,市場價:¥727.27元,當前庫存15套,添加時間:2023-08-20 20:54:06 |
| FAG W6002-2RSR-HLC軸承 | FAG W6002-2RSR-HLC軸承,市場價:¥52.50元,當前庫存2套,添加時間:2023-08-15 21:21:01 |
IKO軸承推薦
| IKO BR283820軸承 | 基本尺寸,內徑:44.45000mm,外徑:60.32500mm,厚度:31.75000mm。 |
| IKO BRI325224軸承 | 基本尺寸,內徑:50.80000mm,外徑:82.55000mm,厚度:38.10000mm。 |
| IKO NAFW405534軸承 | 基本尺寸,內徑:40.00000mm,外徑:55.00000mm,厚度:34.00000mm。 |
| IKO BAM2112軸承 | 基本尺寸,內徑:33.33800mm,外徑:41.27500mm,厚度:19.05000mm。 |
| IKO RNAF354517軸承 | 基本尺寸,內徑:35.00000mm,外徑:45.00000mm,厚度:17.00000mm。 |

